ובכן טבעות פלסטיק: היקף ומאפיינים
ובכן בחצר או במדינה זה הופך לרוב לאלמנט הנגיש והפונקציונלי ביותר המאפשר לך להקים אספקת מים אוטונומית. טבעות בטון הופכות בהדרגה לשם דבר, והן מוחלפות בטבעות באר פלסטיק. החומר החדש אינו משאיר ספק לגבי חוזקו ואמינותו. הוא משמש זמן רב, אינו רגיש לקורוזיה והוא קל יותר ממבני בטון. לעתים קרובות טבעות פלסטיק משמשות לתיקון בארות... בואו לגלות אילו חומרים יש לתת עדיפות, תוך התמקדות בסוגיהם ומאפייניהם.
תוכן המאמר
לשם מה טבעות בארות פלסטיק?
לפני זמן לא רב טבעות בטון מזוין בגובה נמוך היו פופולריות במיוחד, מה שתורם להידוק טוב יותר של המבנה. אך עם הזמן איכות התפרים הופכת גרועה יותר. בעיה זו נפתרה באופן מושלם על ידי בארות מים מפלסטיק. הם משמשים לעתים קרובות לסידור מעיינות שתייה. טבעות פולימר ידועות בתכונות החוזק המצוינות שלהן ותוכננו להחזיק מעמד 50 שנה. בסדנאות טבעות מיוצרות מפוליפרופילן או מפוליאתילן. לסוגי חומרים אלו יש אינרטיות ועמידות יוצאי דופן בפני יסודות כימיים שונים. חומר הייטק לא מאבד מתכונותיו גם עם קפיצות טמפרטורה מ -70 ל +50 מעלות. לכן, אתה לא יכול לפחד שמרכיבים מזיקים משתחררים למים.
בואו נגלה מה היתרונות של טבעות פלסטיק לבאר:
- מִשׁקָל. פרמטר זה הוא החשוב ביותר, מכיוון שהמשקל הנמוך אינו יוצר קשיים בתזוזה והתקנת המערכת;
- הגודל. טבעת הפלסטיק היא 1500 מ"מ. ניתן להזמין מידות אחרות גם;
- קלות התקנה. ההתקנה מתבצעת ללא מעורבות של ציוד מיוחד;
- הידוק של כל החיבורים. כל אלמנט מצויד בחיבור הברגה, המבטיח אטימות למים, כמו גם היעדר זיהום;
- חוזק חומרי. הפלסטיק מיועד ללחץ של יותר מ 0.5 בר.
בבארות העשויות טבעות פלסטיק ניתנים אלמנטים נוספים כמו מעברים לפתח, לתחתית ולכיסוי. הם עשויים מחומרים מרוכבים פולימרים. פתחונים יכולים להיות עשויים פלסטיק. חומר זה הוא רב תכליתי ובעל עמידות טובה בפני חומרים אגרסיביים.
פוליפרופילן עמיד עוד יותר. הוא משמש לתיקונים שונים, אפילו בתנאי אקלים קשים. החומר העמיד ביותר ללבוש הוא פיברגלס.
אזורי יישום טבעות פלסטיק לבארות
המפרקים של חלקי הבטון נאטמים בתערובת מלט מיוחדת, שיכולה להיסדק לאורך זמן. בשל מוצקות המוצרים, טבעות לבאר פלסטיק נטולות בעיה זו. אטימות גבוהה הופכת את מיכלי הפולימר לבטוחים. הם מותקנים כמבנים מוכנים או כתוספת לפירי בטון. בגרסה האחרונה הם משמשים כמכנס אטום המונע כל זליגת נוזלים. מיכלי פולימרים מבוקשים כשצריך לחבר את מערכת הביוב.
אלמנטים מפלסטיק משמשים במבנים כאלה:
- למקורות עם מי שתייה;
- למערכות ביוב;
- ל מערכות ניקוז;
- ל מתקני מי סערה;
- להתקנת ביוב במפעלים תעשייתיים;
- לתיקון בארות שעובדות כבר.
ניתן להתקין מערכות טרומיות לעומק מתאים. הקפידו להשתמש בסריג או בכיסוי ריק. זה יגן מפני חדירת חומרים זרים בתוכו.
הערה! מבנים טרומיים מורכבים למכלול יחיד באמצעות חוט. זה הופך את ההתקנה למהירה מאוד. לפני החיבור יש לשמן את החוטים באיטום סיליקון. ניתן להחליף את החלקים בקלות במידת הצורך.
מאמר קשור:
באר ניקוז פלסטיק. בסקירה זו נבחן את הסוגים, הסוגים, תכונות העיצוב, כיצד ליצור באר בטון במו ידיך, כיצד לנקותו, סקירת יצרנים, מחירים ממוצעים.
שימוש בבאר פלסטיק לשתיית מים
ברכישת בית כפרי או קוטג 'קיץ, לעיתים קרובות יש בעיה בגישה למי שתייה. פיתרון מעשי הוא טבעות בארות פולימריות. תכנון המים לשתייה מניח התקנת צינור חלק.
התקנת טבעות פלסטיק לבאר שתייה מתבצעת לאחר מציאת האקוויפר. במקרים מסוימים, נעשה שימוש בשיטת קידוח או חיתוך חקירה. ואז, במקום הנכון, החפירה תתבצע. יתר על כן, הקוטר שלו צריך להיות גדול יותר 15-20 ס"מ מקוטר הצינור המוכן. החפירה מתבצעת לפני שמופיעים מים. ואז תוסף הפלסטיק מותקן. לאחר התקנת מבנה הפלסטיק, החלל בינו לבין קירות הבור מלא בחול.
לפני שניתן להשתמש במים יש להוריד את המשאבה בכדי לשאוב את המים. זה נעשה עד שהמים מתבהרים.
בעת יצירת סוגים אלה של בארות, נעשה שימוש בחומרים הבאים:
- פוליוויניל כלוריד. זהו פולימר תרמופלסטי. זה לא נדלק בשטח פתוח. אם נדרשת הגנה מיוחדת מפני תופעות סביבתיות, נבחר חומר זה;
- פוליאתילן. החומר בעל צפיפות גבוהה.הוא אינו חשוף לסביבות אגרסיביות ואינו מגיב עם מלחים ואלקליות;
- פוליפרופילן. מיוצר על ידי פילמור של פרופילן עם פעולת זרזים. לחומר זה פרמטרי התכה גבוהים יותר מפוליאתילן.
תוכל לצפות בסרטון כיצד להתקין באר היטב:
חָשׁוּב! כדי להבטיח אטימות, משתמשים באיטום גומי. אבל חומר זה חייב להיות באיכות גבוהה.
תכונות של בארות פלסטיק לביוב
מבני פלסטיק מתאימים להתקנת מערכת ביוב. לרוב הם משמשים לחיבור קווים שונים, כמו גם לשינוי כיוון הצינור. בעת רכישת בארות פולימריות לביוב לניקוז של פסולת טכנית, יש לקחת בחשבון כי החומר אינו אמור להיות מושפע מממסים אורגניים.
כולל מכשיר למיכל ביוב. מדובר במיכל בצורת גליל, שבתחתיתו יש מגש צינורות מיוחד.
שקול את אפשרויות העיצוב הפופולריות ביותר:
- תיקון ומגש רלוונטיים להסתעפות או להפוך רשתות. הם נחוצים לחיבורים שונים כמו גם לתחזוקה קלה. במרכז יש אלמנט מגש, המתבצע בשיפוע קל, המגן על המערכת מפני הצטברות ניקוזים;
- בארות משקע מותקן במערכות זרימה חופשית או באתרי סניפים. הוא מורכב ממכולה עם צינורות מסועפים, כאשר הקרקעית ממוקמת הרבה מתחת לרמה. הם משמשים לאיסוף משקעים;
- מכשירים דיפרנציאליים מתאים למערכות כוח משיכה. הם משפיעים על קצב התנועה של שפכים;
- בְּדִיקָה משמש להתקנת ציוד נעילה וויסות שונים. המכשיר מניח מיכל אטום לחלוטין, וגרם גרם מדרגות למכרה;
- אפשרויות אקסצנטריות הכרחי לבדיקת צינורות בקוטר משמעותי, לאגירת מים או להתקנת משאבות שונות;
- בארות אחסון האם מיכלים אטומים לשאיבת מי שפכים.
לשם מה נועד באר פלסטיק לבאר?
לא מזמן השימוש בציוד פלסטי לבארות נחשב כבלתי מקובל בגלל השבריריות ואמינותו של החומר. אך האפשרויות של טכנולוגיות מודרניות מאפשרות ליצור מבנים עמידים במיוחד של בארות פלסטיק. אלמנטים הפלסטיים כוללים פוליפרופילן, PVC שאינו מפלסטיק, פוליאתילן ופיברגלס. השילוב של חומרים אלה מספק למיכל חוזק נוסף.
ישנם יתרונות מסוימים לשימוש במבני פלסטיק:
- קלות תיקון;
- תקופות מבצעיות משמעותיות ;;
- ביצועי בידוד תרמי מעולים;
- השימוש בבארות פלסטיק הוא פיתרון משתלם יותר מבחינה כספית מאשר שימוש במבנים מחומרים אחרים;
- חומר באיכות גבוהה שומר על כל המאפיינים הדרושים לאורך כל חיי השירות;
- באמצעות קיסון פלסטיק אינך צריך לבזבז זמן בהתקנת איטום.
מידות טבעות פלסטיק לבאר: מחירי חומרים
המחירים תלויים רבות בגודל טבעות הבאר. עלות קטע מושפעת מעובי הקיר וקוטרו. לדוגמה, טבעות של חברת Ekosis עם המידות הבאות: קוטר חיצוני - 950 מ"מ, פנימי - 900 מ"מ, גובה - 1500 מ"מ - עלות 9,000 רובל. ובקוטר של 600 ו- 650 מ"מ יש להם מחיר של 8,000 רובל.
ברודלקס, טבעות בגובה 500 מ"מ מחיר של 4.3 אלף רובל, מוצרים בגובה 1000 מ"מ - 8.7 אלף רובל וגובה 3000 מ"מ - 25.9 אלף רובל. יש לציין בנוסף את עלות חלקים אחרים של הבאר.
ישנם מידות טבעת סטנדרטיות של בארות. הפרמטרים של הקוטר הפנימי נעים בין 60-90 ס"מ, והקוטר החיצוני - 65-95 ס"מ. הגובה הוא בדרך כלל 150 ס"מ.הכיסוי נבחר בהתאם לפרמטרים של הבאר.
בחירת קוטר טבעות פלסטיק לבארות
פרמטר חשוב הוא קוטר טבעת הבאר. זה משפיע על יכולת המבנה המתוכנן.
| סוגי קוטר | פרמטרים, מ"מ |
|---|---|
| קוטר פנימי ללא תחתית | 900, 800, 680, 600 |
| עם התחתית | 900, 800, 680, 600 |
| קוטר חיצוני ללא תחתית | 950, 850, 730, 650 |
| עם התחתית | 950, 850, 730, 650 |
בעת בחירת באר פלסטיק 800 או בקוטר שונה, יש צורך לקחת בחשבון את הפרמטרים של הכיסוי. לאלמנט זה קוטר פנימי הנע בין 550-900 מ"מ, וקוטר חיצוני של 600-950.
מידות נבחרות בעת יצירת פרויקט מבנה. הפרמטרים תלויים ישירות בתכלית ובתנאי ההפעלה. עובי הקיר אינו תלוי בפרמטרים של החלקים. זה שווה - 25 מ"מ.
גובה טבעות פלסטיק לבארות
הגדלים הסטנדרטיים של טבעות הבאר הם 50-150 ס"מ. יתר על כן, ככל שגובה טבעת הבאר יהיה גבוה יותר כך המוצר ישקל יותר. טבעות חול פולימריות מיוצרות בפרמטר גובה מינימלי. זה מאפשר לבצע עבודות התקנה לבד וללא כל ציוד. טבעות עם פרמטרים לא סטנדרטיים מיוצרות בהפקות מיוחדות. במקרה זה, ניתן להזמין גובה טבעת מתאים גם.
סקירה כללית על היסודות המרכיבים של באר פלסטיק
לבאר הפלסטיק עיצוב פשוט. לרוב מדובר בשלושה פרטים:
- צוואר מותקן עם האדמה. הוא מספק גישה למאגר הפנימי של הבאר. מותקן עליו פתח;
- שלי מייצג את הפרט הגדול ביותר. הוא מחבר את בסיס המבנה ואת הפיר;
- מַגָשׁ הוא משמש להתקנת צינורות, כמו גם להפניית נקזים.
הצוואר יכול להיות מחודד או גלילי. האפשרות הראשונה משמשת כאשר קוטר הציר גדול בהרבה מקוטר הצוהר הסטנדרטי. הצוואר הטלסקופי משמש להתקנת מבנים בעומקים גדולים. האלמנט הגלילי מועבר לעומק הרצוי ומוגדר בגובה הקרקע.
ישנם שני סוגים של שלי: מוצקים וטרומיים. העיצוב הראשון קל יותר להתקנה ואטום. ניתן לבחור את השני בעומקים שונים. בעת התקנת דגם טרומי, החלקים הבודדים מותקנים זה בזה באמצעות אטמים.
האלמנט התחתון בבאר הוא מגש פולימרי או קינט. חלק זה נבחר לאחר תכנון המערכת. מלמעלה, המבנה סגור בכיסוי או פתח רגיל. הם עשויים מחול פולימרי, פלסטיק או ברזל יצוק. אם אין צוואר, אז הצוהר מחובר לפיר.
לרוב משתמשים בכיסוי פליפ סטנדרטי, ועל פי בקשה, מכסה סוג בורג לצוואר ספציפי. ישנן גם דרישות מסוימות לכיסוי בארות. עליהם להגן על המכרה מפני חדירת פסולת וחפצים זרים. הכיסוי חייב לעמוד בעומסים סטטיים והלם. הקוטר של חלק כזה נע בין 350-1200 מ"מ, כך שהם יכולים לכסות קיסון, באר ובור ספיגה. פולימרים גורמים להם להיות עמידים בפני פגיעות. כדי לבחור כיסוי מתאים, עליך לבצע מדידות מדויקות של ראש הבאר.
כיצד לבחור את צינור הפלסטיק הנכון לבאר
צינורות ובכן עשויים מפוליוויניל כלוריד, פוליפרופילן, HDPE ו- PVC-U. ישנם הסוגים הבאים צינורות פלסטיק קוטר גדול לבאר:
- עם פרופיל משולש עם חוטים באורכים שונים. צימודים בגדלים מסוימים משמשים לקיבוע צינורות. החוט נראה כמו חרוט;
- פרופיל טרפז עם חוט מחודד;
- צינור עם חיבוריםעם אטימות טובה.
יש לזכור כי צפיפות צינורות HDPE היא 0.95, וצינורות PVC-U - 1.4 גרם / ס"מ. המתח המחושב גבוה פי שניים עבור PVC-U. למודולוס האלסטיות ערך 3000, ול- HDPE הוא 900.
בשל נקודת התשואה הגבוהה שלו, PVC-U מתאים יותר לחיבורי הברגה. בנוסף, צינורות העשויים מחומר זה מאופיינים בתכונות הידראוליות מצוינות.
HDPE - מומחים ממליצים להשתמש בצינורות לבארות של עד שלושה מטרים. ולבארות, חומר PVC-U מתאים יותר.
מחירי צינורות פלסטיק פוליאתילן דקים לבארות מי שתייה נעים בין 14 אלף למטר ליניארי.
מוסיף פלסטיק בבאר
פרטים מסוימים מאפשרים תיקון חלקים בודדים מבלי לפרק את כל המבנים. לשם כך עליכם לבחור הוספת פלסטיק מתאימה בבאר. זה מאפשר לך לא לעסוק באיטום נוסף של המפרקים. ישנה טכנולוגיה מיוחדת להתקנת ספינות פלסטיק בטבעות בטון.
הכניסות מותאמות למידות ספציפיות. כל האלמנטים חייבים להשתלב זה בזה. כדי להרכיב מבנה מתקפל, תזדקק גם לצוואר וכיסוי. אם ניקח בחשבון את כל הפרמטרים, נבחר גם תחתית פלסטיק לבאר.
השוואה בין המסה של טבעות פלסטיק ובטון לבאר
כשיוצרים פרויקט למבנה באר, עליכם לדעת כמה שוקל הטבעת לבאר. יש לזכור כי האדמה שמסביב יכולה להיות עם סביבה אגרסיבית. פרמטר חשוב שיש לקחת בחשבון הוא העומס הקבוע. הוא מורכב ממשקל המבנה וכן מלחץ רוחבי ואנכי. מוצרי בטון כבדים יותר מעמיתיהם הפלסטיים. לדוגמא, טבעות חול פולימריות לבאר בגובה 25 ס"מ וקוטר 100, שוקלות 60 ק"ג. יתר על כן, גם בהתקנת באר חול פולימרי טרומי, אפילו שני אלמנטים כאלה ישקלו 120 ק"ג, שזה פחות מאותו חלק מבטון - 320 ק"ג.
בטבלה ניתן לראות את משקל טבעת הבטון בהתאם למידות.
| קוטר, ס"מ | גובה, ס"מ | משקל, t |
|---|---|---|
| 100 | 60 | 0,45 |
| 100 | 90 | 0,65 |
| 150 | 60 | 0,72 |
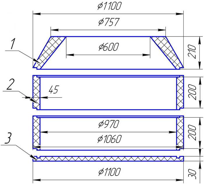
מחירים של טבעות פלסטיק לבאר
מחיר קטע תלוי בעובי ובקוטר המוצר. כדי לקנות את הטבעות הנכונות מבאר פלסטיק, אתה צריך לא רק ללמוד את המבחר, אלא גם לבחור את הכיסויים, הצווארים, הטיזים והחרוטים הדרושים. יש לציין את עלותם בנפרד.
הטבלה מציגה את הממדים, המחירים של טבעות פלסטיק לבאר:
מחירי בארות פלסטיק משתנים בהתאם ליצרן ולמאפיינים האישיים.
סיכום
טבעות פלסטיק הן פיתרון פרקטי ונוח לכל סוג באר. הם הופכים פופולריים יותר ויותר בשל ההתקנה והאספקה הקלים שלהם. זוהי אפשרות פונקציונלית למתן ועלילות אישיות. העיצובים אינם נחותים בשום אופן למאפיינים התפעוליים והטכנולוגיים של עמיתיהם המסיביים יותר. היתרון של בארות פלסטיק הוא בכך שניתן להשתמש בהם באזורים עם כל אקלים, כמו גם בכל אדמה.
וידאו: התקנת טבעות בארות פלסטיק





































