עיצוב מודרני של ארון מים או מהו מתקן
חומרי גימור מודרניים ותגליות עיצוב מכתיבות כללים חדשים לשיפוץ מדי יום. גם חדר הרחצה עבר חידוש. מילה חדשה בעיצוב שירותים - אסלה תלויה על הקיר. מהי התקנה לשירותים, כיצד לבחור ולהתקין אותה נכון, כיצד לסדר ולתקן אותה אחר כך - בחומר שלנו.
תוכן המאמר
- 1 התקנה לשירותים: לשם מה ולמה היא מיועדת
- 2 יתרונות וחסרונות של התקנות שירותים: האם זה שווה את המאמץ?
- 3 מה המשמעות של גודל האסלה להתקנה
- 4 שירותים תלויים עם התקנה: מה עדיף לבחור?
- 5 ויכוחים לספקנים
- 6 דירוג ומחירים: יצרני מתקני שירותים
- 7 המלצות מקצועיות: כיצד להתקין אסלה תלויה על הקיר עם ההתקנה
- 8 קשיי התקנה אפשריים
- 9 הוראות והתקנת התקנת וידאו
התקנה לשירותים: לשם מה ולמה היא מיועדת
שימו לב למודרני חללי פנים לשירותים: ברוב המקרים תגלה שהשירותים והבידה אינם קבועים לרצפה, אלא לקיר, ממש כמו קליפות... המבנה כולו נראה חסר משקל, הרצפות פנויות לניקוי סניטרי. הסט כולל את ההתקנה וקערת האסלה, כל הצינורות מוסתרים בתיבת שווא, יש גם אחד תלוי. בור שירותים. הגישה לצנרת נסתרת מוגבלת על ידי שליטה על כפתורי הניקוז.
עֵצָה! בבחירת גופי אינסטלציה להתקנת קערת שירותים תלויה בקיר עם התקנה, סמכו על כל כך הרבה מוצרים איכותיים של מותגים ידועים. לאחר ההתקנה והשלמת עבודות הגמר, הגישה אליו תיסגר, ולכן עדיף להיות בטוחים כי ציוד זה לא יאכזב אותך.
התקנות מחולקות לשני סוגים:
- לַחסוֹם;
- מִסגֶרֶת;
גרסה משולבת - שירותים רצפתיים עם התקנת בור מים. התקנה זו נהוגה בבתי היסוד הישן, שם לא ניתן לבצע מחדש את יציאת צינורות הביוב. התקנות פינתיות לאסלה תלויה בקיר נוחות מאוד. סידור זה חוסך מקום משמעותית. חדר אמבטיה קטן.
יתרונות וחסרונות של התקנות שירותים: האם זה שווה את המאמץ?
התקנת התקנה אינה משימה קלה, ולפני שתחליטו איזה שירותים לקנות, עליכם לשקול את היתרונות והחסרונות של עיצוב כזה. איך אתה יכול לקבוע אילו שירותים הם הכי אמינים? השיטה המוכחת ביותר היא לקרוא ביקורות. שירותים תלויים עם התקנה זוכים לפופולריות בקרב מפתחים ודעתם המשוחדת יכולה להועיל מאוד. אז היתרונות והחסרונות שמציינים המשתמשים:
| מקצוענים | תיאור |
|---|---|
| מראה אסתטי של המבנה | כל צינורות התקשורת מוסתרים בתוך תיבת שווא, קיר או חלל מחיצה |
| לחסוך מקום | שירותים קונבנציונליים תופסים הרבה יותר מקום ומותקנים בכניסה מהקיר. המבנה התלוי רוחב 30 ס"מ בלבד. |
| קישוט וניקוי רצפה | אתה לא צריך לחתוך את האריחים ולהניח אותם בחלקים סביב האסלה. זה מאוד נוח לנקות את הרצפה. |
| קלות שטיפה | תכונות העיצוב הופכות את השטיפה לאינטנסיבית יותר. מכשירים כאלה מצוידים בדרך כלל בכפתורים כפולים, הדבר חוסך במים. |
| השתנות התקנה | ניתן להתקין את ההתקנה כמעט בכל מקום, כך שניתן יהיה ליישם את פרויקט העיצוב הנועז ביותר. |
| כוח | החשש החשוב ביותר, עד כמה המבנה אמין, יכול להיפטר בקלות אם מסתכלים על המאפיינים הטכניים של המבנה התלוי. הם מסוגלים לעמוד בעומסים של עד 400 קילוגרם! |
| מינוסים | תיאור |
|---|---|
| מחיר | ההבדל בעלויות בשירותים קונבנציונליים הוא כמעט פי ארבעה. תחשוב כמה מוצדקת הרכישה של עיצוב כל כך יקר. |
| קשיים בתיקון | כאשר מחליטים כיצד לבחור אסלה תלויה על הקיר, העדיפו מותגים אירופאים. עדיף לקנות מוצר יקר מאשר לבזבז בלי סוף על תיקון עמיתיהם הסינים. |
| קשיים בהתקנה והחלפה | ניתן לשים שירותים רגילים על הידיים בתוך כמה שעות. ייקח יותר זמן וכלים מיוחדים להתקנת ההתקנה. והחלפת המבנה תדרוש שיפוץ משמעותי בכל השטח. |
אז מה עדיף: התקנה או שירותים רגילים? עליכם להחליט, אך הפופולריות של התקנות כאלה גוברת מדי יום, מה שאומר שבפועל יותר ויותר אנשים בוחרים סוג זה של התקנה.
מה המשמעות של גודל האסלה להתקנה
יצרנים מודרניים מציעים מגוון רחב של דגמים בצורות וצבעים שונים. אבל עם הממדים של אסלה תלויה, הכל פשוט יותר - בדרך כלל יש להם אינדיקטורים סטנדרטיים של 37x48x38 סנטימטרים. ישנן חריגות מממדים אלה - המידות של קערת שירותים עם התקנה לאנשים עם משקל גדול יכולים להיות גדולים בעשרה סנטימטרים. בהתאם, ההתקנות למכשירים כאלה ידרשו התקנות מיוחדות. הם חייבים לעמוד בעומסים משמעותיים.
אילו הבדלים ניתן למצוא:
- צורה זוויתית מיכל ניקוז. תכנון זה מאפשר שימוש חסכוני ביותר בחלל. המיכל מותקן על הקיר;
- הבור מותקן בנפרד מהאסלה על מעמד. הוא מותקן על מבנה המובנה בקיר. גודל האסלה התלויה על הקיר תלוי בגודל הבור;
- דגמים קומפקטיים, במקרה זה אורך קערת השירותים עם ההתקנה אינו עולה על 68 סנטימטרים.
לפיכך, גודל השירותים להתקנה אינו מהווה מכשול. ניתן לבחור בסיס תמיכה מתאים עבור עיצובים קומפקטיים או עבור מכשירים מיוחדים גדולים.
שירותים תלויים עם התקנה: מה עדיף לבחור?
יש לגשת לבחירת קערת שירותים להתקנה בכל אחריות. חשוב שהמחברים של המבנה יהיו אמינים, המיועדים לכל המשפחה הגדולה ביותר. כל רכיבי המכל חייבים להתאים בצורה מושלמת ולעבוד ללא תקלות. בואו נסתכל על שלושה סוגים של מתקני השירותים הטובים ביותר:
כיצד לבחור התקנות לשירותים תלויים על הקיר? על מה כדאי לשים לב? קודם כל, קבע אם בחדר יש קיר נושא עומס מוצק. אם מחיצות מורכב מעץ ולוחות, או מונח באחד לְבֵנָה, מבנים עם מחברים על הקיר אינם מתאימים.
עֵצָה! עדיף להשתמש ברגי עוגן להתקנת ההתקנה. קערות האסלה התלויות הטובות ביותר מגיעות עם תקעים וברגים לקיר. אבל במקרה זה, עדיף לנגן אותו בטוח ולקנות מחברים אמינים.
סוג ההתקנה משפיע ללא ספק על בחירת קערות השירותים התלויות על הקיר. הדרך הקלה ביותר היא לקבוע את המכשיר לרצפה, אך על הרצפה להיות בעלת יכולת נשיאה טובה גם כן. שימו לב לאופן קבוע המבנה. זה לא אמור להיות משוחרר. שימו לב כי בתהליך השימוש, אפילו תגובה חריפה קטנה עלולה להפוך לבעיה חמורה, שתביא לתיקון מערכת הביוב.
אז האם ניתן לענות באופן חד משמעי על השאלה איזו התקנה עדיפה לשירותים? הטוב ביותר שמתאים לתנאי הדירה או הבית שלך. חסום - אם יש קיר מסגרת חזק מספיק - אם הרצפות בחדר מאפשרות לך לתקן היטב את המכשיר. פינתית - אם חדר האמבטיה קטן.
ויכוחים לספקנים
תמיד יש אנשים שמתעקשים להשתמש בשיטות מסורתיות, כולל מבחינת התקנת אינסטלציה. הם יתנו לך הרבה ויכוחים כדי להניא אותך משימוש בטכנולוגיה העדכנית ביותר. להלן העיקריים:
- המבנה לא יכול לעמוד בלחץ מוגבר. חוות דעתם של מומחים: קערת הקרמיקה של האסלה יכולה לעמוד במשקל של 400 קילוגרמים, וזה לא הכוח האולטימטיבי. מסגרת הפלדה מתקנת היטב את כל מרכיבי המכשיר.
- אם אתה זקוק לתיקון זעיר של האינסטלציה, תצטרך לבצע שיפוץ משמעותי בחדר האמבטיה, מכיוון שיש צורך להשמיד את ארגז השווא. חוות דעת מומחה: בקיר הדקורטיבי מותקן לוח נשלף לגישה חופשית למיכל ולברז המכבה את המים. לתיקונים מספיק לכבות את המים ולהחליף את החלקים הדרושים. תן עדיפות למותגי ידועים של אינסטלציה, וייתכן כי הליך כזה אינו נחוץ כלל.
- ההתקנה תופסת מקום רב.חוות דעת של מומחה: שירותים סטנדרטיים דורשים הרבה יותר מקום, מכיוון שיש צורך לסגת מהקיר ולבצע חיבור עם צינור הביוב. המבנה התלוי מותקן ישירות על הקיר.
- שירותים תלויים הם עדיין דבר נדיר וקשה למצוא את חלקי החילוף הדרושים במקרה של תקלה. חוות דעת מומחה: החלקים העיקריים של מבנים תלויים הם סטנדרטיים וניתנים להחלפה. אם אתה לא מוצא חלק חילוף של חברה מסוימת זו, לא קשה למצוא אנלוגי.
- שירותים תלויים נראים יותר מדי ... אין תשובה לטענה זו. כן, הם באמת נראים מודרניים ומסודרים מדי. אין שום דבר שאתה יכול לעשות בקשר לזה.
מאמר קשור:
כיצד לפתור את הבעיה במהירות אם השירותים סתומים. איך לנקות את הניקוז בעצמך, המפורט במאמר זה. בנוסף להוראות ושיטות שונות, נתונים על אמצעי מניעה יעילים מובאים כאן.
דירוג ומחירים: יצרני מתקני שירותים
אז הבחירה לטובת אינסטלציה תלויה נעשתה. נשאלת השאלה: איזו חברה עדיפה לבחור בשירותים תלויים? האם ישנם יצרנים בעלי מוניטין גבוה ואיכות מוצר שנבחנה בזמן?
עֵצָה! בעת בחירת מכשיר, שימו לב למתכת שממנה מתבצעת ההתקנה. זה לא אמור להתכופף אפילו במאמץ ניכר.
ליקויי ייצור מושפעים בעיקר מהמודלים הסיניים. עיצובים כאלה אינם אמינים. בהתחשב בעלות הניכרת של המכשירים, עדיף לסרב לרכוש מוצר כזה. על ידי חיסכון של כמה אלפים, אתה מסתכן לקבל חשבון תיקונים מרשים בעתיד.
לביטחון מלא באיכות המוצרים תזדקק להתקנת שירותים אירופאית. דירוג היצרנים של מוצרים כאלה נראה כך:
מקום 1 - אינסטלציה של גברית
היצרן השוויצרי הוא המוביל בשוק הכלים הסניטריים. יותר ממחצית המכשירים המשובצים שנמכרים באירופה הם מבית גברת. מגוון החברה כולל לא רק התקנות לשירותים, בידה וכיורים. התקנים לניקוז ללא מגע וברזי חיישנים פופולריים מאוד. דגמי ההתקנה שונים במגוון צורות וצבעים. כל חלקי המתכת של המתקנים מצופים בתרכובת נגד קורוזיה. שסתומי הניקוז שקטים כמעט. הצנרת מוגנת מפני נזילות בעיצוב מיוחד.
היצרן נותן 10 שנות אחריות למוצרים. ישנם מרכזי שירות רבים ברוסיה המשרתים אינסטלציה זו ומציעים כל חלקי חילוף.
מקום 2 - מוצרים של אידיאל סטנדרט
הכלים הסניטריים של חברה זו מיוצרים בגרמניה. המשתמשים מציינים את האיכות המצוינת של המוצרים והגישה הדמוקרטית לתמחור. מעצבי החברה מציעים פתרונות לא סטנדרטיים עבור קונים מבחינים. הדגמים של יצרן זה מבוקשים במיוחד לחדרי אמבטיה קטנים, מכיוון שיש להם ממדים קטנים בהשוואה למוצרים של חברות אחרות.
מקום 3 - גרוהה
הדגמים של החברה הגרמנית נבדלים על ידי עיצוב מודרני וקלות ההתקנה. הם מאוד טכניים - יש התאמות בהתקנות לבחירת הגובה האופטימלי. כנראה מסיבה זו התקנות הן מהיקרות ביותר.
מקום 4 - מוצרי Tece
התקנות Tece גרמניות אמינות מאוד מוגנות מפני קורוזיה על ידי ציפוי מיוחד... חלקים מסוימים עשויים פלסטיק עמיד ללבוש. כל זה מסתדר בעיצוב מוצר אטרקטיבי.
מקום 5 - גרסנית
לכלים סניטריים פולניים מחיר אטרקטיבי ואיכות הגונה. החברה מציעה התקנות עם קרמיקה, ערכות כאלה זולות יותר עבור הקונה מאשר רכישת חלקים בנפרד.
מקום 6 - התקנות של Alkaplast
היצרן הצ'כי מציע התקנות לכל אינסטלציה. המוצרים באיכות אירופית, אך העלות משתלמת למדי עבור קונה רגיל. לכל העיצובים אפשרויות התאמה אישית כך שניתן להתאים את מיקום הכיור, האסלה או הבידה לגובה הבעלים.
מקום 7 - רוקה
לא המותג הספרדי הפופולרי ביותר זכה לכבוד הקונים בזכות האיכות המעולה שלו. בעוד שלחברת הסטארט-אפ מחירים נמוכים למוצרים, יש להשתמש בנסיבה זו.
מקום 8 - ויטרה מוארת
המוצרים של חברה זו מיוצרים בטורקיה. החברה מציעה סטים של מתקנים, קערת שירותים ומיקרוליפט. מוצרי ויטרה נבדלים על ידי העיצוב המדהים והמחירים המשתלמים שלהם.
ועכשיו עוד על המוצרים הטובים ביותר של היצרנים הרשומים.
התקנת שירותים GEBERIT Duofix Delta
התקנת Geberit עם קערת שירותים היא הפיתרון האופטימלי לאנשים במשקל של עד 150 קילוגרם.
מאפיינים ומשוב על ההתקנה Wisa XS WC Front Basic
ההתקנה לשירותים של וויזה מיוצרת בהולנד. בביקורות המשתמשים מציינים את האיכות הגבוהה של המוצר וההרכבה ללא רבב.
הדבר החשוב ביותר בהתקנת Cersanit Slim & Silent WC P-IN-MZ-SLIM
התקנות Cersanit Delphi ניתנות להתקנה ישירות מול קיר או מחיצה. לדגם מערכת מילוי טנק שקטה. התקנות סרסנית קיבלו מחמאות רבות בביקורות על מידותיהן האלגנטיות והתקנתן הקלה.
שירותים תלויים על הקיר Grohe עם התקנה - חזקים במיוחד
אם אתם מחפשים קונסטרוקציה מוצקה ורב-תכליתית, אתם זקוקים להתקנה של Groe. ביקורות משתמשים מציינות את השימוש החסכוני במים והזדמנויות גדולות לחיבור למערכות הנדסיות.
התקנות Mepa: ביקורות ועלות
מסגרת המידה לא מצוירת - זהו כרטיס הביקור של החברה. כל המוצרים של חברה זו עומדים בתקנים אירופיים.
תכונות ההתקנה Villeroy & Boch
מבנה המסגרת מצופה אבקה. ניתן להעביר את פונקציות הכפתורים לחלק ההקשה.
מאמר קשור:
כיצד לבחור קערות שירותים תלויות על קיר עם התקנה. בסקירתנו נשקול את סוגי מערכות ההתקנה, היתרונות והחסרונות שלהם, כיצד לבצע כראוי את התקנת המבנה, ייעוץ שימושי ממומחים.
המלצות מקצועיות: כיצד להתקין אסלה תלויה על הקיר עם ההתקנה
קודם כל, אתה צריך לבחור את המקום הנכון להתקנת האסלה. זה בטח רחוק מספיק דלת קדמית והוא מכוון כלפי קמים קיימים. ישנם מספר פתרונות שאינם סטנדרטיים:
- אתה יכול להתקין שירותים מתחת לחלון, זה ידרוש התקנה נמוכה בגובה 80 סנטימטרים;
- בחלק מהמקרים נעשה שימוש בהתקנה דו צדדית - מצד אחד, שירותים, מצד שני, כיור;
- בחדרים קטנים ניתן למקם את השירותים בפינה.
לאחר שתקבע את מקום ההתקנה, עליך לסמן נכון. הציר המרכזי של המבנה מצויר על הקיר ואז מסומנים קווי המתאר הכלליים של נקודות ההצמדה.
עֵצָה! אל תמציא את הגלגל מחדש! לפני התקנת התקנת האסלה, קרא בעיון את ההוראות. לרוב הוא מכיל תרשים התקנה ברור עם כל המידות הדרושות.
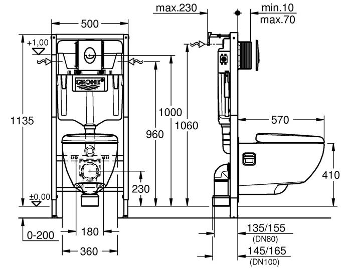
יש הנחיות סטנדרטיות להתקנת מערכת התקנה לאסלה תלויה בקיר:
- גובה ממסגרת לרצפה - 43 ס"מ;
- גובה מהרצפה למיקום כפתור הניקוז - 100 ס"מ;
- מרחק מהקיר לחזית המסגרת - 15 ס"מ;
- הפער בין המיכל לקיר הוא לפחות 2 ס"מ.
כדי לעבוד, אתה צריך את הכלים הבאים:
- סמן לסימון.
- רולטה ורמה.
- קדח עם מחורר.
- מקשים מוגדרים.
- איטום.
רצף התקנה
| שלב | תיאור |
|---|---|
| תיקון המסגרת | מקדחים חורים לדיבלים במקומות המסומנים. ההתקנה מהודקת לקיר בארבעה מקומות בעזרת ברגי עוגן. |
| התקנת מבני מתכת | החלק התחתון קבוע באופן עקבי, ואז החלק העליון. במהלך ההתקנה תוכלו לשנות את גובה המבנה. ההגדרה הנכונה נשלטת על ידי הרמה. |
| אבטחת המסגרת | בשלב זה יש לבדוק את חוזק האמינות ומהימנותו. המכשיר לא אמור להתנדנד או להתכופף. |
כיצד לחבר את המתקן לאספקת מים וביוב
כדי ליצור את החיבור תצטרך מלחציים מפלסטיק. עדיף להשתמש בצינורות נחושת או פוליפרופילן כמתאמים. יש למלא את כל המפרקים באיטום. לפני התקנת תיבת השווא, יש צורך להפעיל את המערכת מראש ולוודא שאין דליפות בשום מקום.
גימור
לפני התקנת האסלה, יש צורך לכסות אותה בלוח דקורטיבי. ניתן להסתיר את המסגרת מאחורי מבנה העשוי קיר גבס... לצורך כך, עדיף להשתמש בחומר עם הגנה מפני לחות. המסגרת לתיבת השקר עשויה פרופיל מתכת... תיקון קיר גבס ברגים הקשה עצמית... לאחר ההתקנה ניתן לסיים את הקופסה באריחים, פלסטיק לוחות דקורטיביים או פשוט טיח וצבע בצבעים אקריליים עמידים בפני לחות.
עֵצָה! אם משתמשים באריחי קרמיקה לגימור, ההתקנה מתחילה ממיקום כפתור הניקוז.
אפשרויות גימור:
התקנת שירותים
האסלה מותקנת אחרונה. כמה טיפים להתקנה:
- יש להפריד בין הפורצלן לבין מסגרת הפלדה על ידי גיבוי פקק. אם לא, השתמשו באיטום סיליקון;
- אל תהדק את המחברים בכוח, הדבר עלול לסדוק את הקערה. אל תשכח מרפידות גומי בעת התקנת ברגים;
- כפתור הניקוז מותקן לאחר התקנת האסלה.
אלגוריתם פשוט זה מתאים להרכבה של כל דגם.
קשיי התקנה אפשריים
| בְּעָיָה | שיטת חיסול |
|---|---|
| דליפות מערכת | יש לבדוק את כל המפרקים לאיתורם. כל המקומות המפוקפקים נאטמים בחומר איטום. |
| המיכל דולף | סביר להניח, האטמים הוסטו. כדי לתקן את המצב, יש צורך לנקז את המים מהמיכל ולתקן את כל האטמים. |
| מים עומדים בשירותים | כוונן את שיפוע הניקוז, עליו להיות לפחות 45 מעלות. |
| תגובה חריפה בבנייה | יש צורך להדק את ברגי ההידוק. |
הערה! אם אתה מודאג מכמה משקל אסלה תלויה בקיר יכולה לעמוד, בדוק את מפרטי ההתקנה לפני הרכישה. היצרנים מציינים את העומס המרבי המותר בדרכון.
הוראות והתקנת התקנת וידאו
אסלה תלויה בקיר - נגיעה מודרנית עיצוב אמבטיה... עיצוב זה לא פחות עמיד ואמין ממקביליו הקלאסיים. הנוחות של ההתקנות היא שניתן להתקין את קערת השירותים כמעט בכל מקום, אפילו באמצע האמבטיה. בנוסף, ניתן להתאים את גובה הקערה בקלות לגובה הבעלים. ניתן לבחור מתקנים על פי המאפיינים הפיזיים של האדם - הם נוחים לאנשים עם משקל כבד, קשישים ונכים.
המלצות מקצועיות להתקנת התקנות בסרטון הבא:

























































