שסתום תלת כיווני לחימום באמצעות תרמוסטט: תרשים חיבור, סוגי ועיקרון הפעולה
במגוון רחב של שסתומים המשמשים ברשתות חימום, יש אלמנט אחד שמשתמשים בו לעתים נדירות. זה דומה בצורתו לטי, אבל המילוי הפנימי שונה מאוד מהאחרון. ומטרתו שונה לחלוטין. זהו שסתום תלת כיווני לחימום באמצעות תרמוסטט. תוכנית ההתקנה שלה, כמו גם את עקרון הפעולה, יידונו בסקירה של היום.
תוכן המאמר
- 1 זנים ומטרה של כל סוג
- 2 המכשיר ועקרון הפעולה של שסתום התלת כיווני במערכת החימום
- 3 שסתומים תלת כיווניים עם מפעילים
- 4 דיאגרמות חיווט של שסתום תלת כיווני לרשת החימום
- 5 שסתומים תלת כיווניים לחימום בטמפרטורת חימום בינונית קבועה
- 6 כללים להתקנת שסתום תלת כיווני במערכת חימום
- 7 מחירי שסתום תלת כיווני
- 8 וידאו: שסתום תלת כיווני למערכות חימום
זנים ומטרה של כל סוג
בעיקרון, שסתומים תלת כיווניים מחולקים על פי עקרון הפעולה. ישנן שלוש תפקידים:
- עִרבּוּב,
- מחלק,
- החלפה.
הראשונים מערבבים שני זרמים של נושא חום עם טמפרטורות שונות לאחד, האחרון, להפך, מחלק זרם אחד לשניים. ועוד אחרים פשוט מעבירים את תנועת המים מכיוון אחד (קו מתאר) לכיוון אחר. שני הזנים הראשונים דומים זה לזה למראהם, ולכן מוחלת תרשים על המקרה שלהם, שמראה לאילו מטרות יש להשתמש במכשיר.
באשר לתפקיד השלישי, קל להבדיל בינו לבין השאר. בנוסף יש לו חסימה שבעזרתה ההחלפה מתבצעת. שסתום מסוג זה מותקן בדרך כלל בשני מעגלים מערכת חימוםכשאתה צריך להפנות מחדש את הזרם נוזל קירור ממערכת החימום ועד דוּד ולהיפך.
מאמר קשור:
תרמוסטטים עם חיישן טמפרטורת אוויר. חומר נפרד מספק מדריך מעשי לבחירה והתקנה של תרמוסטטים.
המכשיר ועקרון הפעולה של שסתום התלת כיווני במערכת החימום
אז קודם כל, בואו נתמודד עם המכשיר. כדי להקל על ההבנה מה יש בתוך השסתום, עליך לשקול את התמונה למטה, בה המכשיר מוצג בסעיף. הוא מורכב משלושה חרירים (שניים לרוחב אחד נמוך יותר), שביניהם ממוקם חדר הערבוב. בצד הרביעי (למעלה) נמצא ראש תרמיאחראי על בקרת טמפרטורת נוזל הקירור.
בתוך המכשיר מ תֶרמוֹסטָט מגיע עם גזע קפיצי עם שני שסתומים עגולים שטוחים. קוטרם תואם את קוטר מושבי הזרבובית. במקום זאת, ניתן להתקין שסתום כדור יחיד, הממוקם בתוך תא הערבוב בין שני המושבים. עם לחץ על הגזע, השסתומים מנתקים חלקית את האספקה מצינור הענף התחתון ופותחים את העליון. כל זאת קורה רק להיפך אם המניה תעלה.
אבל כאן עלינו להבין אילו חוקים עובדת המניה, בהשפעת איזה כוח היא יורדת או עולה. הכל קשור לראש התרמי עצמו. בתוכו יש חיישן טמפרטורה מלא בנוזל מיוחד. זה רגיש לחום. ברגע שטמפרטורת נוזל הקירור מתחילה לעלות, הנוזל מתרחב ועולה דרך צינור הנימים למפוח (מיכל) מיוחד, שנמצא בראש התרמי. המאגר עצמו מתחיל להתרחב, וכך לוחץ על הגבעול. האחרון יורד ופותח את צינור הענף התחתון, ממנו נכנסים מים קרים לשסתום התלת-כיווני. חם מגיע מצינור הענף השמאלי (ראו תמונה).
כמובן, בדיוק ככה, עם כל עלייה בטמפרטורת המים, הלחץ לא יכול להתרחש. לשם כך נקבעת דרגת טמפרטורה על הראש התרמי, הנשלט ידנית. זהו הפרמטר שנקבע שהוא רגע לחיצת המוט.
אז הגבעול הגיב לשינוי הטמפרטורה של נוזל הקירור בצינור האספקה, פתח את התחתון למים קרים, ובתוך השסתום ערבבו אמצעי תקשורת חמים וקרים לטמפרטורה הנדרשת. כלומר, מתברר כי הטמפרטורה של נוזל הקירור בכניסה לא השתנתה, אך ביציאה היא הפכה נמוכה יותר.
במקרה שנוזל הקירור ימשיך להתחמם, הגבעול יכול לרדת למצב הנמוך ביותר האפשרי. כלומר, זה יסגור לחלוטין את אספקת המים החמים ויפתח לחלוטין את אספקת המים הקרים. וזה יימשך עד שנוזל הקירור בתוך מערכת החימום יירד לטמפרטורה הנדרשת. לאחר מכן השסתום העליון ייפתח, הוא יפעיל מים חמים.
כך עובד שסתום בקרת ערבוב לשלושה כיוונים. באשר למודל ההפרדה, עקרון הפעולה הוא כמעט זהה, להפך. נוזל הקירור נכנס לצינור ענף אחד; בתוך גוף המכשיר הוא מחולק לשני זרמים ויוצא דרך שני צינורות ענף סמוכים.
סוג זה של שסתומי כיבוי מותקן באותם אזורים בהם יש לחלק את זרימת נוזל הקירור לשני מעגלים. אחד מהם יהיה עם משטר תרמי קבוע, השני עם משתנה. הראשון הוא זרימת הנוזלים אליה מוטלות דרישות איכות. השנייה עם הדרישות לכמות. יחד עם זאת, מבנית גרידא, הזרימה במצב הידראולי קבוע לעולם לא נסגרת מכיוון שבתכנון המכשיר אורך הגזע נעשה בצורה כזו שהשסתום אינו סוגר את המעגל הקבוע.
אך יש לציין כי ניתן לכוונן את אורך הגזע. זה מאפשר להתאים את הנפח הנדרש של נוזל הקירור במעגל קבוע. באשר למשתנה, הוא יכול לחפוף לחלוטין. כך מווסתים את הזרימה והלחץ של נוזל הקירור במערכת החימום. כפי שאתה יכול לראות, עיקרון הפעולה של שסתום תלת-כיווני הוא די פשוט. העיקר הוא לבחור במדויק את סוג המכשיר ולהתקין אותו במקום הנדרש במעגל.
כיצד עובד שסתום תרמוסטטי משולש במערכת "רצפה חמה"
כדי להבהיר כיצד המעגל עם השסתום פועל, תוכלו לתת דוגמא למחזור נוזל הקירור במערכת החימום התת רצפתי. שסתום התלת כיווני לחימום תת רצפתי הוא שסתום ערבוב. תוכנית המחזור היא כדלקמן:
- מים חמים נכנסים למערכת החימום התת רצפתי דרך הקולט;
- עליו להיות בטמפרטורה מסוימת, אשר מנוטרת במדויק בתהליך המעבר דרך שסתום התלת-כיווני;
- ברגע שערכו עולה על הערך המותר, השסתום פותח את אחד המעגלים, המחובר להחזרת החימום;
- נושא חום מקורר נכנס פנימה, מוריד את הטמפרטורה,
- לאחר מכן המים המעורבים נכנסים למעגל חימום תת רצפתי;
- ברגע שהטמפרטורה יורדת לטמפרטורה הנדרשת, המעגל עם זרימת ההחזרה נסגר על ידי הגבעול בתוך השסתום.
שסתומים תלת כיווניים עם מפעילים
מומחים אומרים כי התאמת שסתום תלת-כיווני באמצעות ראש תרמי וחיישן היא הפשוטה והמדויקת ביותר. בנוסף, הוא אינו צורך חשמל. לכן סוג זה של שסתום תלת-כיווני פופולרי כיום. אך ניתן לשלוט על התהליך בדרכים אחרות. הפשוט הוא ידני. בואו נודה בזה, לא האופציה המדויקת ביותר, מכיוון שטווח עומק הטבילה של הגזע נקבע על ידי הידית הממוקמת מחוץ לגוף השסתום.
תשומת הלב! מומלץ להשתמש בשסתום עם כוונון כזה רק באותן מערכות חימום בהן טיפות הטמפרטורה של נוזל הקירור אינן משמעותיות.
האפשרות השנייה היא בקרת טמפרטורה באמצעות כוננים חשמליים. הם מקבלים פקודות מהבקר.
שסתום תלת כיווני ממונע
מנועים המותקנים בשסתום מכונים לעתים קרובות כונני סרוו. למעשה, מדובר במנועים חשמליים רגילים בהם הפיר אינו מסתובב, אלא מסתובב במידה מסוימת. יש לציין כי קטגוריה זו כוללת כל סוג של מנוע, למשל תרמי. העיקר הוא למלא את התנאי של סיבוב, ולא סיבוב.
היצרנים מציעים היום שני פריטים הנוגעים לתצורה. הראשונה היא חבילה שלמה הכוללת בקר וחיישן טמפרטורה. ניתן להתאים מיד את המכשיר לטמפרטורה הנדרשת, כמו גם לזווית הסיבוב, למשל, בין 0 ל -180 °. כל ערכי ביניים אפשריים. השני הוא כונן נפרד עם חיישן בתוכו, אליו יש להוסיף בקר כאלמנט חופשי.
באשר לבקר, זהו מכשיר הפותר בעיות של בקרת אותות. במקרה של חימום, הוא מגיב לשינויי טמפרטורה שמאותתים לו על ידי חיישן טמפרטורה. הוא מעבד את האותות ומחליט מה לעשות - לפתוח את השסתום או לסגור, או ליתר דיוק, להסתובב עם כיוון השעון או נגד כיוון השעון. כיום היצרנים מציעים מגוון עצום של מנופים תלת כיווניים עם כוננים חשמליים. אחד המותגים הפופולריים ביותר הוא ESBE (שבדיה).
שסתום 3 כיווני ESBE עם כונן חשמלי
קודם כל, יש צורך לציין שלמותג השסתומים הזה יש כדור עם חריצים דרך. האחרון פותח או סוגר שני ערוצים, השלישי תמיד נשאר פתוח. דרכו נוזל הקירור נכנס למערכת החימום. דרגת הסיבוב היא 90 ÷ 180 °.
בחנויות, השסתום של דגם זה נמכר בנפרד מהסרוו, ולכן, לפני ההתקנה, הם מחוברים זה לזה על ידי הכנסת הציר (פיר) של המפעיל לראש הגזע. יש בו חור לסרן. לאחר מכן, יש צורך, בדיוק על פי ההוראות המצורפות למכשיר, לבצע את ההתאמה מבחינת משטר הטמפרטורה.
כיום היצרן מציע מגוון רחב למדי של שסתומי ESBE תלת-כיווניים עם ובלי מפעיל:
דגמים אחרים של שסתומים תלת כיווניים
מותג ידוע נוסף הוא שסתום התלת-כיווני Navien של חברת דרום קוריאה. יש לציין כי מכשיר זה הוא חלק בלתי נפרד מדוד כפול מעגל של יצרן זה. והוא מותקן בתוך ציוד החימום. מטרתו העיקרית היא הפרדת נוזל הקירור לרשת החימום ואספקת מים חמים.
תשומת הלב! לא ניתן לתקן שסתומי Navien. הגורם העיקרי להתמוטטות הוא העברת ההילוכים מהמנוע למוט. חלקי חילוף לא נמכרים בשום מקום. במקרה של תקלה, יש להחליף את המכשיר במכשיר חדש.
חברת דנפוס הדנית היא יצרנית ידועה של שסתומים תלת כיווניים. הוא מציע ארבעה דגמים המתאימים למערכות שונות:
דיאגרמות חיווט של שסתום תלת כיווני לרשת החימום
לאחר כל הניתוחים בנוגע לתכנון השסתום ועקרון פעולתו, הופיעה הבנה כיצד ניתן להשתמש בו במערכות חימום שונות. לרוב משתמשים בו בשלושה מקרים.
- במערכת החימום התת רצפתי, הטמפרטורה של נוזל הקירור חייבת להיות בטווח של +45 מעלות צלזיוס. מצב זה נתמך על ידי המכשיר. זה כבר נדון לעיל, והוכח כיצד זה אמור לעבוד.
- לשומר דודי דלק מוצק מהיווצרות עיבוי בתוך הכבשן. זה קורה כאשר מים קרים יחסית זורמים דרך קו ההחזרה למחליף החום של הגנרטור. מכאן נוצרות טיפות מים מאדים מעובה על המשטחים החיצוניים. אין לאפשר זאת מכיוון שהתעבות תקצר את חיי הציוד.
- אם יש צורך לשמור על תנאי טמפרטורה שונים בחלקים שונים של מערכת החימום.
האפשרות הראשונה לא תיבחן, מכיוון שכבר תוארה. באשר למקרה השני, יש צורך לצלם את התמונה למטה כבסיס לניתוח.
בתרשים יש מעגל כפול: אחד גדול עובר דרך הרדיאטורים, והשני קצר דרך לַעֲקוֹף (זהו קו אדום אנכי, שראשיתו בראש הרדיאטורים, הקצה מונח בתחתית כנגד השסתום). עד שהדוד מתחמם, נוזל הקירור נע לאורך קצר. הטמפרטורה עלתה לערך הנדרש, השסתום סוגר את המעקף ופותח את זרימת ההחזרה (קו כחול תחתון).
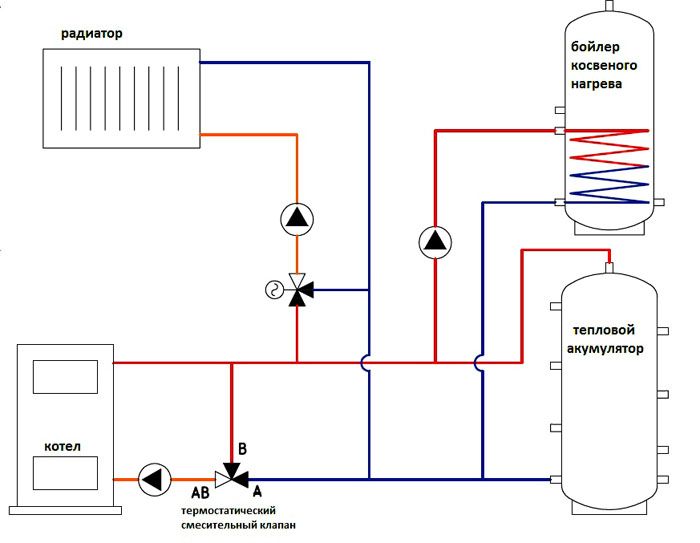
והעמדה השלישית, המבוססת על חלוקת נוזל הקירור בקרב הצרכנים, בה הטמפרטורה הנדרשת לא תמיד זהה. לדוגמא, דוד חימום עקיף דורש מים עם טמפרטורה גבוהה יותר, לסוללות עם טמפרטורה נמוכה יותר, ואף פחות לרצפות מחוממות.
תשומת הלב! בתכנית כזו, אין צורך להתקין שסתום כיבוי בקרה מול הדוד.
תרשים החיווט הבסיסי עם התקנת שסתום תלת כיווני צריך להיות זהה כמוצג בתמונה למטה.
שסתומים תלת כיווניים לחימום בטמפרטורת חימום בינונית קבועה
זו מה שנקרא אפשרות התקציב. במחיר הוא זול יותר מ-30-35% ממכשירים עם כוננים. במה זה שונה מכולם. בעיצובו אין מוטות, אין חיישנים, אין ראשים תרמיים. בפנים מותקן מה שנקרא אלמנט תרמוסטטי שמוגדר לטמפרטורה מסוימת של נוזל הקירור. לדוגמה, זה יכול להיות + 45 ° C או + 65 ° С. כלומר, המחוון יכול להיות כל דבר, בהתאם לדרישות הצרכן של מים חמים.
האלמנט נבחר במפעל ומותקן שם, ולכן על השסתום לציין איזו טמפרטורת יציאה תהיה אחריו. לדוגמא, אם אתה זקוק לשסתום לרצפה חמה, אנו בוחרים בטמפרטורה של + 45 מעלות צלזיוס. הצד החיובי של מכשירים אלה הוא העלות הנמוכה שלהם. שלילי - חוסר היכולת להתאים את משטר הטמפרטורה של המים.
תשומת הלב! אם מותקן שסתום מסוג זה על העוקף של דוד דלק מוצק, יש צורך ללמוד את הדרכון של הגנרטור עצמו לפני הרכישה. האינדיקטור העיקרי לשסתום הוא טמפרטורת המים במעגל ההחזרה. עבורה נבחר המכשיר.
כללים להתקנת שסתום תלת כיווני במערכת חימום
שסתום תלת-כיווני עם או בלי כונן סרוו קל להתקנה במו ידיך. זהו רק שסתום כיבוי, אך יש לציין כי יכולות להיות לו שיטות הידוק שונות. בדרך כלל יש שניים מהם: הברגה או אוגן. במצב הראשון, החוט יכול להיות פנימי או חיצוני. בכל מקרה, החיבור לצינורות מתבצע באמצעות חומרי איטום כמו קלטת או גרר. באשר לחיבור האוגן, על אטימותו יש צורך ליצור אטם של גומי עמיד בחום או פרניט.
ישנם שני ניואנסים לגבי התקנה נכונה:
- המכשיר מותקן בדרך כלל בלולאת ההחזרה לפני משאבת הסירקולציה, מכיוון שהשקע תמיד פתוח.
- יש להתקין שסתום במערכת הצינור בדיוק בכיוון החץ של תנועת נוזל הקירור. האחרון מצוין על גוף המכשיר.
מחירי שסתום תלת כיווני
המחירים לשסתומים תלת כיווניים לחימום באמצעות תרמוסטט ומפעיל משתנים מאוד. בעיקרון, כל העניין הוא באילו מערכות חימום עליהם להתקין. זה חל על הלחץ בתוך הרשת ועל הטמפרטורה של נוזל הקירור. כמובן, מכשירים מופעלים יקרים יותר.
מגוון שסתומי התלת-כיווני יכול לעיתים לבלבל בעת בחירתם. לא כולם יכולים לקבוע מיד איזה מכשיר צריך לרכוש עבור מערכת חימום מסוימת.לכן, אנא פנה אלינו בתגובות והמומחים שלנו יענו על כל שאלותיך.


















































