ספסל גן DIY עם גב: רישומים, תמונות וסודות טכנולוגיים
כדי להפוך את החלקה האישית שלכם לנוחה לשימוש ויפה, עליכם להשתמש באלמנטים לעיצוב נוף כמו ערוגות פרחים, שבילים, ביתנים ו סוככים... ריהוט גן חשוב במיוחד. היא זו שהיא ערבות הנוחות שלך.בסקירתנו נגלה כיצד מתוכנן ספסל גינה עשה זאת בעצמך עם גב. רישומים ותמונות מפורטות יאפשרו לכם לבצע את העיצוב הטוב ביותר.
תוכן המאמר
- 1 תכונות של ספסלי גן: תמונות מסוגים שונים ועיצובים
- 2 כיצד להכין ספסלי גן וספסלים במו ידיך: טכנולוגיות ורעיונות פופולריים
- 3 רישומי ספסלים למעון קיץ במו ידיכם: תמונות ודיאגרמות
- 4 רעיונות מעניינים לספסלי גן במו ידיכם: מוצרים תוצרת בית מוצלחים, תמונות
תכונות של ספסלי גן: תמונות מסוגים שונים ועיצובים
לפני שאתה מכין ספסל למגורי קיץ במו ידיך, בואו נבין אילו סוגים של עיצוב זה קיימים. הסיווג יכול להתבסס על גורמים כמו חומר, פונקציונליות וביצועים.
ספסלים יכולים להיות ריהוט לישיבה בלבד או רב פונקציונלי. לדוגמא, משמש ככיסא נדנדה או שולחן.ספסלים מקוריים - נדנדות פופולריות גם כן. עיצובים עם גב נייח מבוקשים. הם עשויים לבנים או בטון. יש גם ספסלים מתקפלים.
לייצור מוצרים משתמשים לרוב בחומרים הבאים:
- אפשרויות פלסטיק הם קלים, וניחנים גם בהתנגדות לכל מיני שינויים באקלים;
- עץ פיתרון נהדר לכל אזור פרברי. זו אפשרות מסורתית שיש לה יתרונות רבים;
- מַתֶכֶת ניתן להשתמש בשתי תצורות, מקווי פרופיל או כמבנה מזויף;
- החומר העמיד ביותר הוא אבן... עבור החנות, אתה יכול לקחת שני סלעים, וגם להשתמש בחומר שנרכש.
אתה יכול אפילו לייצר מוצר מבטון. ישנן גם אפשרויות משולבות לספסלי גן עם משענת גב במו ידיך. רישומים יעזרו לכם לבנות מבנה מכל חומר. ניתן לשלב מסגרת מתכת עם רצועות עץ. ניתן גם לשלב אבן ועץ.
הספסלים יכולים להיות בעלי עיצובים שונים:
- אפשרות פשוטה היא ספסל ללא גב;
- אתה יכול לבנות ספסל עם גב במו ידיך;
- ספסל עם שולחן מתאים כאופציה לגינה;
- ספסל חופה משמש ביתן מיניאטורי.
בעת יצירת עיצובים בסגנון אמנותי, תשומת לב מיוחדת מוקדשת למראה. ניתן להשתמש בכל מיני צורות במקום בחלקי צד.
בעת יצירת רישומים, חשוב לקחת בחשבון את המראה הכללי של המוצר, כמו גם את כל ממדי המבנה. ריהוט מעץ, ברזל יצוק או אבן ישתלב בצורה מושלמת בגינה שנוצרה בסגנון קלאסי. ומוצרי פלסטיק מתאימים לגינון מודרני.חשוב איפה אתה מציב את הספסל. אתה יכול למקם אותו ליד המרפסת, וגם למקם אותו בחלק האחורי של הגן מתחת לעץ יפהפה.
הערה! ניתן להשתמש בספסל העץ בנוחות בכל עת של השנה, מכיוון שרמת המוליכות התרמית נמוכה מזו של אבן ומתכת.
ספסלים מקוריים לבקתות קיץ ממתכת ועץ
אתה יכול לנסות להכין ספסל מתכת או עץ עם משענת גב במו ידיך. מוצרי מתכת ידועים בעמידותם המיוחדת. עם זאת, הם אינם דורשים התייחסות מתמדת. הם יכולים להיות מצופים בתרכובת מיוחדת נגד קורוזיה רק פעם בשנה.עיצובים מודרניים המשתמשים באלמנטים מזויפים מבוצעים באמצעות מכונת ריתוך.
ספסלים בעיצוב יפה מתקבלים מעץ. מוצרים כאלה מתאימים כמעט לכל עיצוב נוף. כדי להגן על מבנים כאלה, ניתן להשתמש בקומפוזיציות לכה מיוחדות.
זה יגן על משטח העץ מפני התפתחות עובש, טחב ואור שמש. זה נדיר שמישהו משתמש במוצרי מתכת לחלוטין, מכיוון שהם מתקררים הרבה בעונה הקרה ומתחממים בחום. לרוב, אלמנטים ונושאי עומס עשויים מחומר זה, והגב והמושב עשויים עץ.
מלבנים עשויים מצינור פרופיל ואז מרותכים קופצים לדפנות הצד לצורך תמיכה. ניתן לבנות מבנה פונקציונלי יותר עם משענות יד, כריות רכות ומשענת גב.
כיפוף הצינורות ליצירת קווים חלקים יותר. זה ייצור רהיטים עם קצוות מעוגלים.ספסלי קרשים פופולריים. העיצוב יכול להתבצע בצורה של ספה, ולשים כריות מעל.
אתה יכול גם לבנות ספסל פשוט עשה זאת בעצמך מעץ. במקרה זה, הרגליים יכולות להיות בצורת האות X. מהלוחות ניתן להכין ספסל בצורת האות P. במקרה זה יש צורך להבטיח קיבוע נוקשה של המושב והרגליים.
הערה! השימוש בתרכובות ציפוי מיוחדות יאפשר לשמר את הדפוס הטבעי של חומרים כאלה לאורך זמן.
צילום ספסלים במו ידיך מאבן
ספסל גינה עשה זאת בעצמך עם גב יכול להיות עשוי מאבן. חומר זה מובחן על ידי מאפיינים בעלי ביצועים גבוהים, כמו גם חוזק משמעותי. ניתן להשתמש במבני אבן לכל סגנון ועיצוב גן. השימוש באלמנטים מאבן להשלמת העיצוב הכללי. רהיטים כאלה נראים טוב על רקע בניין עם פרטי אבן נפרדים.ספסל אבן יעשה שילוב נפלא עם מיטות אבן, מדרגות, בריכות ושבילים. ספסלים אלה משולבים לעתים קרובות עם עץ.
הערה! לעתים קרובות משתמשים בשיש לבניית ספסלים כאלה. לפעמים משתמשים בקוורציט ואפילו בגרניט גס.
צילום DIY של ספסלי גן: איך מכינים מחומרי גרוטאות
מוצרי פלסטיק ניחנים גם ביתרונות מסוימים. הנה הם:
- משקל נמוך של המבנה, מה שמבטיח את קלילותו;
- מחיר סביר;
- מגוון רחב של צבעים;
- פּרַקטִיוּת.
אתה יכול להשתמש בכל מיני שילובים משולבים שישתנו או ישלבו במרקם, בלוח הצבעים ובחומרים. פיתרון טוב הוא שילוב של פרטי אבן ועץ.
נסו ליצור עיצובים מקוריים משולבים. זה יכול להיות ספסל ארגז חול לילדים, כמו גם ספסל ערוגות פרחים.
הערה! ניתן להכין עיצובים יוצאי דופן מרהיטים ישנים. למשל מהישן כִּיסְאוֹת.
כיצד להכין ספסלי גן וספסלים במו ידיך: טכנולוגיות ורעיונות פופולריים
כדי להכין ספסל עשה זאת בעצמך עם גב עץ, ראשית עליך להבין את עיצובו. מכשיר פשוט מרמז על מקום ישיבה על סוג כלשהו של תמיכה. אך ישנם גם מוצרים בעלי תצורה לא סטנדרטית, עיצובים עם חלקים מזויפים או מגולפים, כמו גם ריהוט עם משענות יד.
פיתרון פשוט הוא להשתמש בשתי מגירות ובכמה לוחות. במקרה זה, התיבות יותקנו כאלמנטים תומכים. הם יכולים להיות מלאים באדמה ולהכין בהם ערוגה יפה. מושב מותקן מהלוחות המותקן בין הקופסאות. הקפידו לשייף את המשטח בנייר זכוכית. לקבלת תכנון פרקטי יותר, ניתן להחליף את הקופסאות בעמידות אבן או בטון. ניתן לבנות מושבים מחצאי עץ או לוחות מטופלים. אתה צריך לתקן את המושב בפינות מתכת. משתמשים במשטפים כדי לחבר אותם לבסיסי בטון. וקיבוע לעץ יכול להיעשות באמצעות ברגים הקשה עצמית וברגים.
מידע מועיל! אגרטלים עם שיחים דקורטיביים ובונסאי יכולים לשמש כתומכים.
ספסל עם ארגז אחסון
אתה יכול לבנות מבנה נוח עם קופסאות אחסון. במקרה זה, כדאי להשתמש בריהוט ישן. לפני העבודה עליכם לבחור את הברגים הנכונים. העובי שלהם צריך להתאים לעובי אלמנטים העץ.
ספסל עם מגירה הוא פיתרון נפלא עבור אכסדרה ומרפסת. במקרה זה, תוכלו להשתמש במרפסת הישנה. עיצוב המגירה מורכב משני קירות, מושב ודפנות. מומלץ גם להכין את תחתית הקופסה. יש להשתמש בפינות מתכת כמחברים.ניתן לכות את המבנה. וכדי להקל על הישיבה, הניחו בנוסף כריות רכות.
תכונות של ספסל גינה מעץ במו ידיכם
לא קשה להכין ספסל מעץ עם משענות. לשם כך תזדקק לסורגים מיוחדים לתומכים, לוחות לגב ולמושבים, דבק, מסור, מסמרים ומכונת כרסום.ראשית, נעשה ציור של ספסל עץ עם גב. ואז הדפוסים נחתכים על פי התוכניות. קווי המתאר מוצבים על כל החסר, ולמה חלקים נחתכים בעזרת מסור. יש לשייף פרוסות. חורים עשויים ברצועות המשענת. ראשית עליך למלא אותם בדבק ואז להכניס את הפסיגים לסרגל התמיכה. הקרשים מקובעים בדיבלים. ואז הספסל מכוסה בלכה מיוחדת.
סודות עיצוב ספסל כפרי במו ידיך מתוך יומן
פיתרון מעשי הוא ספסל גינה עץ. לישיבה, גזע העץ מנוסר לשני חלקים. ניתן לבנות את משענת הגב מתא המטען הדק יותר מאלמנט המושב. ניתן לבנות רגליים משאריות בולי עץ. החיבורים נעשים בעזרת סיכות מתכת. כך זה נעשה:
- חורים עשויים בפרטים עבור הסיכות;
- את הסיכה דופקים באמצע האורך;
- החלק השני ממוקם על גבי הקצה החופשי והוא גם מרוקע.
המחברים מותקנים בעזרת פטיש. הפינים נועדו להיות מחוברים היטב בכדי לשפר את השמירה. יש לשייף את פני המבנה.
איך מכינים ספסלי גן עם זאת בעצמכם עם גב בסגנון אתנו
ספסל בסגנון כפרי ואתנו יתאים באופן מושלם לעיצוב החצר. בעזרתו תוכלו ליצור פינה טבעית מפוארת. לבניית מבנים כאלה, נעשה שימוש בעץ עם או בלי קליפה. ניתן להשתמש במגוון צורות מעוקלות בייצור ספסלים. לפני התכנון יש לשייף ולעבד את כל החלקים.לוח לא קצה משמש ליצירת המושב. כל פרטי הבנייה מעוגלים.
ספסלים בסגנון אתני משתלבים היטב עם משוכות נצרים. במקרה זה, אתה יכול לבנות גב בצורה של אריגה. הענפים צריכים להתאים בחוזקה. אבל צריך להשאיר את הפערים ביניהם. חומרים כמו אבן, עץ, במבוק או אפילו ראטן מתאימים ליצירת רהיטים בסגנון אתנו.
כמה אפשרויות עיצוב פופולריות הן:
- עבור הסגנון המרוקאי, אתה יכול להשתמש בחלקים מושחלים;
- לעיצוב נוף בסגנון סיני, ספסלי במבוק מתאימים;
- רהיטים קטנים משמשים בסגנון יפני;
- ריהוט בסגנון בריטי כולל שימוש במיני עץ מלא, כמו גם בדפוסים מורכבים.
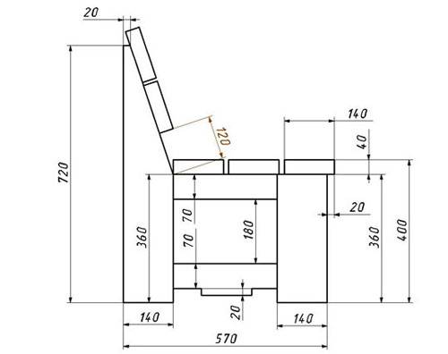
רישומי ספסלים למעון קיץ במו ידיכם: תמונות ודיאגרמות
בעת ביצוע הספסל לוקחים בחשבון צרכים אישיים, כמו גם פרמטרים מסוימים. כדי ליצור מבנה איכותי, אתה זקוק לרישום עם כל הממדים.נקודה חשובה היא חישוב כמות החומרים, אשר תהיה תלויה בפרמטרים הסופיים של המבנה. הבר המסודר נוח במיוחד. אתה יכול להשתמש בחותך מיוחד כדי לעגל את הקצוות.
ספסל גינה עשה זאת בעצמך עם ציורי משענת גב: עיצובים כפולים
לספסלים יכולות להיות יכולות שונות. לרוב הם מיועדים ל2-4 אנשים. לבנייה כפולה תזדקק לסורגים ולוחות. זה לא ייקח יותר מיום אחד לבנות מוצר כזה.לפני החיתוך, עליך למצוא את הציורים הנכונים.
ספסל עשה זאת בעצמך לבית קיץ עשוי עץ: איך לעשות זאת צעד אחר צעד
קודם כל מכינים את לוחות הישיבה. במקרה זה החומר נחתך ומעובד. מטחנה או כרסום יעזור בעניין זה. אתה יכול להשתמש בנייר זכוכית, אבל זה ייקח הרבה יותר זמן. בעזרת הסורגים תוכלו לבנות רגליים חזקות. יש לציין את האזורים בהם יוצבו המחברים.
סיכות מתכת משמשות כמחברים. לקבלת חוזק גדול יותר, אתה יכול להשתמש בדבק מיוחד. הפינים משמשים גם לאבטחת משענת הגב. לאחר השלמת הסימון, עליך למדוד את המרחק מהקצה.
האסיפה הולכת כך:
- הסורגים נערמים זה על גבי זה;
- כל החלקים מהודקים בעזרת מהדקים;
- חורים נעשים במרכז ולאורך הקצוות;
- דרך החורים שנעשו, החלקים קבועים בעזרת סיכות.
כיצד לגרום לעיצוב פשוט להסתכל על הסרטון:
ואז לוחות המושב מחוברים לרגליים בעזרת ציפורניים. לאחר מכן, ניתן להסוות את ראשי הציפורניים בתערובת של מסטיק ונסורת. הקפידו לכסות את המשטח בצבע או בלכה.
ספסל גן במו ידיכם מחומרי גרוטאות: ממשטחים
אתה יכול להכין ספסל משטחים עשה זאת בעצמך. תוכלו לראות תמונות של אפשרויות מעניינות באתר שלנו. ניתן להציב רהיטים כאלה לא רק בגינה, אלא גם בבית הכפרי או במרפסת. לצורך עבודות התקנה, אתה זקוק לשלושה משטחים.
כך מתקיימת ההרכבה:
- המזרן מחולק לשני חצאים. חצאים אלה ישמשו למשענת הגב;
- שני משטחים מחוברים יחד עם מסמרים;
- ואז הגב מחובר אליהם;
- מעל מונח מזרן במידות מתאימות.
הערה! ניתן לאבטח חפצים רכים בעזרת רצועות.
וידאו: איך מכינים ספסל משטחים פשוט
ציורים של ספסל גן עם גב מעץ במו ידיכם: אפשרות שנאי
המבנה ההופך בנוי באופן עצמאי. לשם כך, אתה צריך לוחות וסורגים.
טכנולוגיית DIY להכנת ספסל שנאים
אתה יכול לבנות מבנה על ידי ביצוע השלבים הבאים:
- לחלק התומך מחוברים 3 לוחות, מהם יושב המושב. אתה צריך להכניס 4 ברגים הקשה עצמית לכל לוח;
- בעת הרכבת יחידות, יש צורך למרוח דבק עץ על אזורים אלה;
- יש לנסר את הרגליים לתומך הגב מצד הקצה. ואז יש לחבר את הרגליים בזוגות;
- אז אתה צריך ליצור גב, שכאשר יהפוך אותו יהפוך לשולחן.
- לוחות מחוברים כך שיש פער;
- יש לבצע 3 חורים בקוטר של 0.8 ס"מ בלוח התמיכה.
הנה עיצוב שנאי שימושי:
כדי ליצור את צירי הסיבוב, עליך לבצע שני חורים ברגל האחורית. משענת הגב מהודקת לבסיס עם ברגים.
מאמר קשור:
נדנדה לגינה עשה זאת בעצמך ממתכת. ישנן אפשרויות רבות למכשירים מוכנים למכירה, אבל הרבה יותר כיף להכין אותם בעצמך. רישומים, מידות ותמונות של עיצובים שונים המתוארים במאמר יעזרו לכם להתמודד עם משימה זו.
רעיונות מעניינים לספסלי גן במו ידיכם: מוצרים תוצרת בית מוצלחים, תמונות
אל תגביל את עצמך לעיצובים פשוטים. ניתן גם להשתמש בפתרונות לא סטנדרטיים. עיין בסרטון למטה בכמה רעיונות:
אתה יכול ליצור מוצרים מקוריים עם חלקים כגון קישוטי עץ, פרזול דקורטיבי ומשטחים. ניתן להשתמש במגוון רחב של חומרים ליצירת ספסלים יפים.
עץ צריך לשמש את המתחילים, מכיוון שחומר זה קל לעיבוד. אתה יכול לעשות עיצובים פשוטים מענפים עבים, יומן עץ או לוחות לא משוליים.כדי להשיג משטח אסתטי יש לטפל בו בלכה וכתם איכותיים. ספסלים יפים עשויים רצועות פלדה. ניתן לקפל את משענות היד בקלות.
באמצעות הנחיות פשוטות תוכלו למצוא אפשרות מתאימה לגינה שלכם. שימו לב במיוחד לחומרי הייצור ולעיצובים יוצאי דופן. אתה יכול ליישם ציורים וטכנולוגיות מהאינטרנט או לפתח מוצרים משלך. אנו מקווים שהמידע בסקירה שלנו יהיה שימושי עבורך.


























































