כיצד ליצור גלאי מתכות במו ידיך: הוראות מפורטות ודיאגרמות
אתה פשוט לא תאמין כמה אוצרות מונחים ממש מתחת לרגלינו. ברור שאנו אפילו לא חושדים בנוכחות אוצר עד שהוא מגיב בחריקה בגלאי המתכות. ללא כלי זה, ארכיאולוגים, מחפשים גיאולוגיים, מנועי חיפוש ובונים אינם יכולים לדמיין עבודה. כלי מקצועי הוא יקר, כך שאם ציד אוצרות הוא תחביב עבורכם, בוודאי תחשבו איך להכין גלאי מתכות במו ידיכם. כיום צוות המערכת של homebase.decorexpro.com/iw/ מזמין אתכם ללמוד כמה פריצות חיים, דיאגרמות עבודה והוראות ייצור מוכחות למכשיר זה. זה לא כל כך קשה כמו שזה נשמע, וגם אם אתה חובב רדיו מתחיל, אתה יכול להתמודד עם המשימה ללא מאמץ.
תוכן המאמר
- 1 איך עובד גלאי מתכות ואיך זה עובד
- 2 פרמטרים של גלאי מתכות בהתאם למטרה ולמכשיר הטכני
- 3 אילו סוגים של גלאי מתכות תוכלו להכין בבית במו ידיכם?
- 4 גלאי מתכות תוצרת בית "פיראט": תרשים ותיאור הרכבה מפורט
- 5 האם ניתן להכין במו ידיך גלאי מתכות תת ימי?
- 6 גלאי מתכות 3 עשה זאת בעצמך שליחות קטלנית 3: תרשים מפורט והוראות וידאו להרכבה
- 7 איך להכין גלאי מתכות במו ידיך עם אפליה מתכתית
- 8 תכונות של גלאי מתכות עמוקים
איך עובד גלאי מתכות ואיך זה עובד
עקרון הפעולה של המכשיר מבוסס על חוקי הפיזיקה, המאפשרים לזהות עצמים במרחק. הפעולה מכוונת ומוגבלת. ככל שגלאי מתכות יקר יותר כך רדיוס פעולתו ורגישותו של הגלאי גדול יותר. לדגמים מורכבים פונקציית זיהוי מתכת. כל סוג של מתכת מקיים אינטראקציה בדרכו עם תדירות לולאת החיפוש והמכשיר משווה את התגובה עם התקן ומציג מידע עבור המפעיל בתצוגה או נותן אות קול.
בתכנון פופולרי אחר, המכשיר מנתח את העברת הפאזה בסלילי השידור והקבלה. כשאין מתכות בתחום הגלאי, הסליל משדר אות עם משרעת קטנה. כשאתה מתקרב לאובייקט החיפוש, המשרעת עולה. לפיכך, ניתן להבחין בין מתכות לא ברזליות וברזליות ולזהות חללים באדמה. המכשיר של גלאי המתכות משתקף בתרשים הבא.
פרמטרים של גלאי מתכות בהתאם למטרה ולמכשיר הטכני
גלאי מתכות לחובבים הם המכשירים הפשוטים ביותר מהסוג הדינמי. ראש החיפוש של המכשיר חייב לנוע כל הזמן, רק בדרך זו האות המבוקש יכול להופיע. אם תפסיק לנוע, האות ייעלם. גלאים פשוטים כאלה נוחים בכך שהם אינם דורשים הגדרות מורכבות ומאפשרים להוציא אדמות בינוניות. בין החסרונות, עלינו לציין את הרגישות החלשה שלה ואת אזעקות השווא התכופות באזורים קשים.
למכשירים בינוניים יש את הרגישות הטובה ביותר. בתצורת המפעל, מכשיר זה מגיע עם מספר ראשי חיפוש בגדלים שונים. כדי להתקין את הגלאי נדרשים מיומנויות מסוימות. גלאי מתכות לטווח בינוני מסוגלים לזהות מתכות.
מכשירים ממוחשבים הם כבר מכשיר מקצועי עם מסך LCD וחיווי מצביע. הזיכרון של המעבד שלו עמוס בתוכניות המסוגלות לזהות ולהבחין בין האות, ומסווגות כל אובייקט שזוהה. אנשי מקצוע מתכנתים באופן עצמאי מכשירים לתנאי החיפוש, למעט תגובות לא רצויות.
כלי חיפוש זהב עשוי לא רק על מטבעות ותכשיטים באדמה, אלא גם על מתכת מקורית. זה לא מתאים למציאת חלקיקים קטנים כמו חול. הוא לא מזהה אותם, במיוחד אם בקרקע יש מינרליזציה גבוהה.
גלאי עומק מושחזים לצורך חיפוש חפצים הממוקמים בעומק מרשים. הם יכולים לזהות מתכת בעומק של 6 מטרים, בעוד שמודלים אחרים "חודרים" רק עד 3. מכשירים כאלה מזהים חללים וחריגות קרקעיות פנימיות אחרות. גלאי עומק עובדים על שני סלילים, האחד מקביל לפני הקרקע והשני מאונך.
גלאים נייחים הם מסגרות המותקנות בחפצים מוגנים חשובים במיוחד. הם מחשבים כל חפצי מתכת בשקיות ובכיסים של אנשים העוברים במעגל.
אילו סוגים של גלאי מתכות תוכלו להכין בבית במו ידיכם?
הגלאים מחולקים ל -5 סוגים עיקריים על פי עקרון איתור האובייקט הרצוי.
בואו ניקח בחשבון אילו מגלאי המתכות מתאימים להכנה במו ידיכם בבית:
| סוג | תכונות: | האם זה מתאים להכנת DIY |
|---|---|---|
| קבלה-שידור | עובד עם שני סלילי אינדוקציה. בהיעדר האובייקט הרצוי, האות אינו עובר לסליל הקבלה. | כן |
| הַשׁרָאָה | משלב את הפונקציות של שני הסלילים. האות קבוע, משתנה בעת גילוי מתכת. | לא, ככלל נוצרים קשיים בבחירת האות האפקטיבי. |
| מבוסס על מד תדרים | תכנון המכשיר כולל מחולל LC, שמשנה את התדירות כאשר מזוהים אובייקטים מתכתיים. בעל רגישות נמוכה. | כן |
| עם מד Q | מצויד במנתח אותות של גנרטור LC. עובד בצורה גרועה בטמפרטורות נמוכות. | כן |
| דוֹפֶק | מבוסס על העברת זרמי דופק אדי. האות משנה את אופיו בהתאם לסוג המתכת שזוהה. | כן |
ועכשיו, בפירוט רב יותר על אופן הכנת גלאי מתכות פשוט במו ידיכם, בעזרת הדוגמה של עיצוב הפיראטים.
גלאי מתכות תוצרת בית "פיראט": תרשים ותיאור הרכבה מפורט
אם אתה רק חושב איך לייצר גלאי מתכות תוצרת בית, אל תבקש להתמודד עם מודלים מורכבים. התחל בפיראט פשוט אך יעיל. השם הומצא על ידי מחבר מוצר תוצרת בית משילוב של Pi (דחף) ו- Ra-t (רדיוסקופ). השם נתקע, ותכנית ההרכבה הפשוטה והברורה כל כך חיבבה את המשתמשים ש"פיראט "הפך לאחד המוצרים הביתיים הפופולריים ביותר בתחום זה. נכון לעכשיו, ישנם כבר 4 שינויים בתכנית הפיראטים. גלאי המתכות פשוט מורכב ביד, ללא שימוש בכלים ספציפיים.
החיסרון היחיד של מכשיר זה הוא שאין תוכנית לעבוד עם אפליה מתכתית בגלאי מתכות מתוצרת עצמית. אבל עבור צייד אוצרות טירון, זה לא רלוונטי.
חלקים להרכבת גלאי מתכות
כדי לייצר את המכשיר יהיה עליכם לרכוש:
- קבלים קרמיים - 1 nF;
- 2 קבלים סרטים - 100 nF;
- קבלים אלקטרוליטים: 10 μF (16 V) - 2 חתיכות, 2200 μF (16 V) - 1 piece, 1 μF (16 V) - 2 pieces, 220 μF (16 V) - 1 piece;
- נגדים - 7 חתיכות לכל 1; 1.6; 47; 62; מאה; 120; 470 kΩ ו- 6 חתיכות ל -10, 100, 150, 220, 470, 390 אוהם, 2 חתיכות ל -2 אוהם;
- נגדים משתנים - 3 חתיכות ל- 10 ו- 100 kOhm, 400 Ohm (1W);
- טרנזיסטורים - 3 חתיכות, ВС557, IRF740, ВС547;
- 2 דיודות 1N148;
- 2 מיקרו מעגלים: K157UD2 ו- NE555.
אתה צריך גם צינור פלסטיק למוט, סוללות 9V או מצברים וחוט PEV בקוטר של 0.8 מ"מ.
הערה! רבים מעוניינים כיצד ליצור גלאי מתכות מטלפון במו ידיהם. מפתחים מסוימים אפילו מציעים תוכניות שתוכלו להוריד לטלפון שלכם ולהשתמש למטרה זו. חובבי רדיו רציניים יכולים רק לייעץ לך להשתמש בחלקי חילוף מסוימים - למשל כניסת אוזניות או סוללה, אולי לוח ליצירת מיקרו מעגל.
מעגלי גלאי מתכות DIY
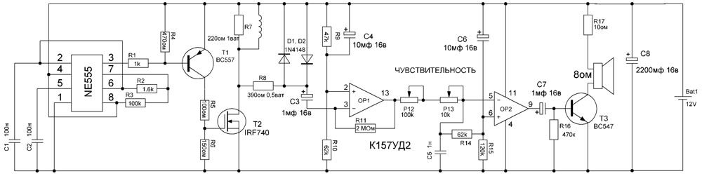
תוכנית הפיראטים הפשוטה ביותר נראית כך.
ניתן למקם את הלוח במקלט כיס או בכל קופסת פלסטיק בגודל נוח, אפילו קופסאות צומת פשוטות מארסנל החשמלאי מתאימות.
נקודה חשובה! כדי להיפטר מהפרעות אפשריות בעת נגיעה בווסתים של המכשיר, כל המקרים של נגדים משתנים מחוברים למינוס הלוח.
אם ברצונך לקחת את הניסויים שלך הלאה, הנה תרשים להכנת גלאי מתכות מבוסס זהב.
אם הרכבתם נכון את המעגל, המכשיר יעבוד כמו שצריך. בעיות אפשריות במיקרו-מעגל.
| בְּעָיָה | שיטת פיתרון |
|---|---|
| אין חריקה ותגובה לשינויי תדרים. | בחר נגד 10k בסדרה עם קבלים בגנרטור 300pF. |
| עירור מוגזם של הגנרטור, שריקות ושריקות | הוסף קבל 1000pF עם כבל שלדה. |
כיצד להרכיב לוח מעגלים מודפס של גלאי מתכות במו ידיך
פריסת ה- PCB של גלאי המתכות די פשוטה. ניתן לחלק אותו באופן מותנה למספר בלוקים:
- הרכבת סלילי חיפוש;
- מגבר קול טרנזיסטור;
- מחולל דופק;
- מגבר הוא דו ערוצי.
ככה זה נראה.
מחולל הדופק מורכב על טיימר NE555. באמצעות הבחירה של C1 ו- 2 ו- R2 ו- 3, התדר מותאם. הפולסים המתקבלים כתוצאה מסריקה מועברים לטרנזיסטור T1, והוא מעביר את האות לטרנזיסטור T2. הגברה של תדר השמע מתרחשת בטרנזיסטור BC547 לקולט, ואוזניות מחוברות.
הערה! אתה יכול ליצור גלאי מתכות במו ידיך ללא מיקרו מעגלים. ברשת תוכלו למצוא מעגלים אנלוגיים רבים במחוללי טרנזיסטורים.מכשירים כאלה יאתרו מתכות בעומק של עד 20 ס"מ באדמה ועד 30 - בחול רופף.
איך להכין סליל לגלאי מתכות במו ידיך
הסליל הוא חלק חשוב מהמכשיר. זה יכול להיות עשוי מחוט נחושת או זוג מעוות. פרטים נוספים בכיתת המאסטר שלנו.
סליל תיל נחושת
סליל זוג מפותל
עֵצָה! אם אתה רוצה להכין סליל חזק יותר לגלאי המתכות שלך ביד, תן לו צורה אליפטית.
הוראות מפורטות להגדרת גלאי מתכות DIY "פיראט"
להרכבה הסופית של המכשיר, אתה צריך צינור פלסטיק. תרשים ההרכבה פשוט. רגישות הגלאי מותאמת באמצעות פוטנציומטרים. השג את התוצאה כך שתזהה את המטבע ממרחק של 30 סנטימטרים. הוא "שומע" משקעי מתכת גדולים במטר וחצי. "פיראט" לא מכיר מתכות לא ברזליות תחתיך או שחור, אז אתה פשוט צריך לחפור כאן, וייתכן שתיתקל בשוקת ישנה, ולא באוצר נחשק. אבל במקרה זה, אתה יכול לקחת את זה לא באיכות, אלא בכמות, כי כל מתכת ניתן למסור למרכז מיחזור.
איך ייראה ה"פיראט "בסרטון הבא. נותר רק לציין שניתן לקנות ערכת בנייה לייצור מכשיר זה באינטרנט. אגב, הוא מגיע עם הוראות מפורטות כיצד להכין גלאי מתכות בעצמך בבית באמצעות חלקי הערכה.
האם ניתן להכין במו ידיך גלאי מתכות תת ימי?
למצוא אוצרות מתחת למים זו חוויה מרגשת. הסיכוי למצוא משהו בעל ערך אינו קטן מדי, במיוחד אם יש לך מושג איפה לחפש. ה"פיראט "עליו דיברנו יכול להתמודד עם חיפושים מתחת למים. יש צורך לשנות אותו רק, תוך בידוד טוב מפני לחות והחלפת איתות השמע ב- LED. איך זה יעבוד בסרטון הזה.
גלאי מתכות 3 עשה זאת בעצמך שליחות קטלנית 3: תרשים מפורט והוראות וידאו להרכבה
שינוי נוסף של גלאי המתכות הביתי הוא ה- Terminator. מוצרים תוצרת בית משפרים כל הזמן את המכשיר, וכעת הגרסה השלישית של המכשיר פופולרית, ועובדת על העיקרון של איזון אינדוקציה.
אנו מציעים לך את התיאור המפורט ביותר של הרכבת מכשיר כזה מאת בעל המלאכה ויקטור גונצ'רוב.
הערה! להרכבה עצמית במו ידיכם, תוכלו לבחור גלאי מתכות בצורת פרפר עם שני קווי מתאר. זה קצת יותר מסובך, אבל יעיל באותה מידה.
איך להכין גלאי מתכות במו ידיך עם אפליה מתכתית
אפליית מתכות היא היכולת של מכשיר להבחין בין חומר שזוהה ולסווג אותו. אפליה מבוססת על מוליכות חשמלית שונה של מתכות. מעבד הגלאי מנתח את מעבר השלב בין האותות של שני הסלילים ולא רק מבחין בין מתכות לא ברזליות לשחור, אלא יכול לזהות אם מדובר בנחושת, זהב או כסף. תהליך האפליה הפשוט ביותר מיושם במכשירי דופק. הם מסוגלים למצוא ולהבדיל בין ברזליות לבין מתכות ברזליות.

דגמים מקצועיים מצוידים ב"מוחות "הניתנים לתכנות המסוגלים לתת אות רק על האובייקט הרצוי, מבלי להסיח את הדעת למפעיל אחר.
הערה! לא משנה עד כמה המכשיר מקצועי, אל תצפו ממנו לתוצאה של מאה אחוז. לחומרים רבים יש מוליכות חשמלית דומה, כך שהמכונה עלולה להיות שגויה.
מידע מפורט על הרכבת גלאי כזה ניתן למצוא בסרטון.
תכונות של גלאי מתכות עמוקים
גלאי מתכות עמוק הוא מושך מכיוון שהוא יכול לזהות חפצים שבהם מכשירים אחרים חסרי כוח. גלאי מתכות עמוק טוב מתוצרת עצמית מסתכל בעומק של 6 מטרים, והוא אינו מונע משורשים, חללים או מכשולים אחרים. אזהרה אחת - בעזרתה אתה יכול לאתר רק עצמים גדולים, וזה מובן, כי לטובת כמה מטבעות לא תחפור בור של שישה מטרים.
ושוב אנו מחזירים את כולם לאותו דגם אוניברסלי של גלאי הפיראטים. מתברר שאפשר לייצר מכשיר עמוק על בסיסו, וזה בכלל לא קשה. תהליך השינוי מתואר בסרטון זה.
כפי שאתה יכול לראות, שום דבר לא אפשרי! אם יש לך נתיך, נסה להתנסות. אולי, איפשהו תמצאו אינספור אוצרות שיכולים לשנות את חייכם באופן קיצוני. אם יש לך ניסיון בהרכבת מכשיר כזה ושימוש בו, שתף אותו בתגובות, אנו נודה לך מאוד!









































