תוספת חשובה לרשת החשמל היא RCD: מה זה?
למרבה הצער, תכונה אחת של כמעט כל אדם היא כלכלה. ואנחנו אוהבים לחסוך כסף באותם דברים שלעולם לא יהיו שימושיים בחיי היומיום (לפחות, כולם חושבים כך). זה בדיוק סוג זה של "תכשיט", ואנחנו נברור את זה לפי העצמות במאמר זה. האם שמעתם פעם את הקיצור RCD? תלמד מה זה אחרי שקראת את הסקירה עד הסוף. בקיצור, ברצוני להוסיף כי מכשיר זה מסוגל להגן על הדיור ועל כל תושביו מפני מצבי חירום הקשורים לחשמל.
תוכן המאמר
עקרון הפעולה של RCD: מהו?
לאחר שפענחנו את ה- RCD, אנו מגלים שמדובר במכשיר זרם שיורי, אשר במשך יותר מתריסר שנים, מהנדסים ניסו להביא לשלמות ולהחדד עד כמה שניתן לצרכי הבית. אז הכל התחיל בשנת 1950. בשלב זה פורסמה המהדורה הראשונה של ה- PUE (כללי התקנת חשמל). כמובן שבאותה תקופה לא הייתה מחלוקת לגבי הגנה מפני דליפה שוטפת, אך קרוב יותר לשנות ה -80 הכל השתנה. הכללים מעולם לא אפשרו התקנת RCD ברשתות ביתיות, משום שחלקי הרכיב של המכשיר לא אפשרו לתפוס הפרעות בחשמל בזרמים נמוכים (בניגוד למפעלים גדולים). אך ההתמדה של היזמים והטכנולוגיות החדשות נתנו התחלה רשמית למכשירים מסוג זה, מה שבא לידי ביטוי בפרק השביעי של ה- PUE.
מהות ה- RCD
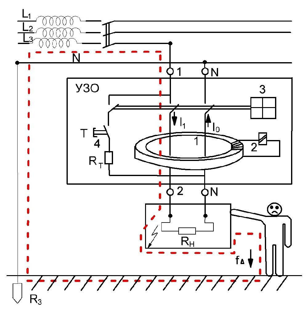
הזרם הנכנס לדירה מהרשת זורם דרך חוט הפאזה, בכפוף לעומס מכל המכשירים. כשהוא מגיע לנקודת הסיום, הוא חוזר לאורך הכבל הנייטרלי. הערכים בכניסה לרשת המקומית וביציאה חייבים להיות זהים. אם המחוון הנכנס גדול מהמחוון היוצא, המשמעות היא שבמקום כלשהו בחיווט יש נזילה שעלולה להוביל לשריפה. כדי להימנע ממקרים כאלה, מותקן RCD.מטרתו העיקרית היא לתפוס כל שינוי ברשת החשמל ולבצע כיבוי חירום במקרה של נחשולי מתח.
RCD מבפנים
המכשיר מורכב מאלמנטים פשוטים:
- שנאי דיפרנציאלי (או מכשיר ברצף אפס) בעל שלושה פיתולים. הראשון והשני נסגרים באפס ובשלב. השלישי מחובר להדק נייד, שעשוי ממסר או אלקטרוניקה.
- ההדק סגור ביחידת כונן כוח ובקבוצת אנשי קשר.
- כפתור בדיקה. משמש לניתוק ניסיוני של הרשת (בעזרתה הם בודקים את ביצועי מכשיר המגן).
דוגמה למכונה
ה- RCD מותקן בכניסה לרשת לחדר, דרכו הזרם נכנס ויוצא חזרה. תהליך זה כולל את הפיתולים הראשוניים והמשניים, הראשון מעביר את הזרם הנכנס בעצמו, והשני יוצא. במהלך פעולה רגילה של הרשת הכוחות שווים והשדה המגנטי בתוך השנאי הוא אפס מכיוון שהזרם נע לאורך הפיתולים לכיוונים שונים. במצב זה ה- RCD אינו פעיל. עכשיו דמיין שאי שם בחיווט חשוף חוט וזרם דולף לקרקע. לכן מתח המוצא משתנה וכוחות ההתנגדות של שני הפיתולים אינם שווים. זרם עודף עובר לסליל השלישי, שמפעיל את מנגנון ההספק שמכבה את כל החשמל בדירה. אך זה לא קורה מיד, מכיוון שיש מרווח לעליית מתח קטנה כך שלא תתרחש אזעקת שווא.
הערה! מומחים אינם ממליצים באופן מוחלט להתקין הגנה בדירות עם חיווט ישן, וטוענים כי החוטים נשחקים לאורך זמן ועלולים ליצור נזילה. במקרה זה, המכשיר ישבש את פעולת הרשתות. אבל הכל בדיוק הפוך, מכיוון שבאופן זה תוכלו לזהות נוכחות של תקלה בחוטים.
מאמר קשור:
כיצד לבחור מייצב מתח 220V לביתכם. אתה מכיר את בעיית הפסקות החשמל, המתבטאת בהבהוב האורות. במאמר נדבר כיצד לבחור את ווסת המתח המתאים ל -220 וולט לביתכם על מנת לשכוח את הבעיה אחת ולתמיד?
RCD או מכונה דיפרנציאלית: כיצד להבחין ובמה לבחור?
שני המכשירים דומים מאוד זה לזה, אך אם אתה מעמיק יותר, אז הכל נופל על מקומו. בואו נראה איך RCDs ומכונות דיפרנציאליות עובדים. ההבדל הוא די משמעותי.
הבדלים בעבודה
- UZО - פועל רק לצורך דליפה שוטפת כדי למנוע שריפה, ולהגן על אדם מפני התחשמלות. במקרה של קצר חשמלי או עומס יתר ברשת, ההתקן לא יגיב.
- מכונה אוטומטית דיפרנציאלית - עובדת עם כל תקלות בחיווט, בקצר, בעומס כבד, בדליפה, בחימום יתר של החוטים.
תכונות חיבור
- יש לחבר את התקן המגן במקביל למפסקים רגילים. יש צורך שהם תמיד יעבדו בזוגות, מכיוון שאחד משלים את השני עם המאפיינים הדרושים.
עכשיו אתה יודע איך RCD שונה ממכונת דיפרנציאל. טבלה 1. מחירים ממוצעים למכשירים חד פאזיים האיור לעיל מראה את המעגל הסטנדרטי לחיבור RCD בדירה, אשר מקורקע על ידי מעגל נייח. המכשיר מתרסק קרוב ככל האפשר למונה, אך אחרי המכונה הראשית. התרשים מראה גם כי במערכת TN-C (זהו החיווט הישן של רשת החשמל), אסור להפעיל את התקן המגן הכללי. אם יש צורך להכניס RCD למערכת הישנה, מקומו הוא מאחורי המכונות המשניות שעוברות למכשירים נפרדים. הזרם המרבי של מכשירים כאלה נלקח בכמה צעדים מזה של המכונה שמאחוריה היא עומדת. כשאין קרקע בדירה, האפשרות לחיבור המכשיר היא כדלקמן יש לחבר את החוטים רק ברצף המוצג באיור לעיל. הפרעות של מכשירים ביתיים ודיגיטליים מסוימות עלולות להפריע לפעולה הרגילה של המערכת כולה. טבעות פילטר מגנטיות נחלצות, מה שמפריק את ההפרעה שנוצרה, לפני שהן נכנסות למכשיר המגן. ישנן שתי אפשרויות הרכבה. הפילטר מולחם ישירות לגוף המכשיר הניתוק. העבודה מתבצעת רק על ידי חשמלאי מקצועי. סט הטבעות הזה פשוט מחליק לכבל החשמל, מיד לאחר שעזב את הקופסה. על מנת להימנע מטעויות, עליך לדעת מה זה RCD. מכשיר זה פועל באותה צורה כמו מכשיר חד פאזי. ההבדל הוא שלראשון יש שני חוטים להתפתלות, והשני עם ארבעה.להלן תרשים חיבור תלת פאזי. עקרון ההפעלה המפורט מתואר בסרטון הבא: זה פשוט לא מקובל להזניח את ביטחונך, לא לרחם על עצמך, לרחם על רכושך. בטיחות חשמל חשובה מאוד, במיוחד בתקופתנו כאשר מספר המכשירים הביתיים גדול מאוד. אתה צריך לשים RCD ללא היסוס, כי איום סמוי בין הקירות שלך יכול להכות בכל רגע. במה לבחור?
הערה! עלות מכשיר ההגנה נמוכה בהרבה מהתקנת מפסקי דיפרנציאל רבים. אבל, השני זול יותר מ- RCD + מכונה אוטומטית. הבחירה בידיים שלך.
מעמד תמונת RCD RCD תמונה של Difautomats Difautomat מחיר כַּלְכָּלָה 
FH-202 AC-25 
עם DIF-102 DEKraft 1500/700 לשפשף. מְמוּצָע 
F-202 AC-16 
DSH-941R C6 רובל 2500/2700 פּרֶמיָה 
F-202 AC-40 
DS-201 C25 4000/4800 לשפשף. אפשרויות לחיבור RCD לרשת חד פאזית עם ובלי הארקה
ואם אין הארקה?
שימוש במסננים המותאמים ל- RCD
שגיאות נפוצות בתהליך החיבור
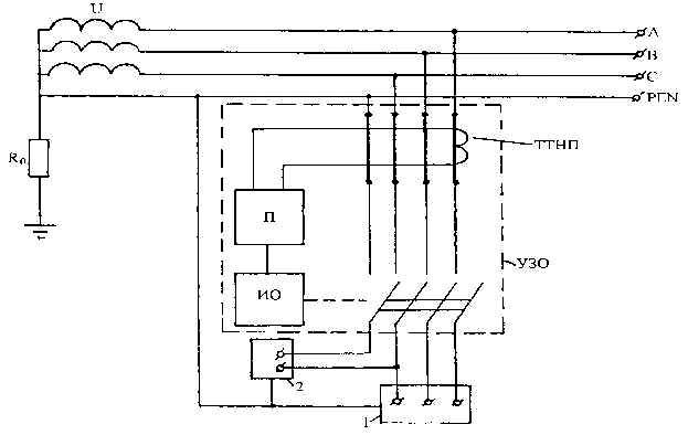
מכשיר הגנה מפני דליפות זרם תלת פאזי
בואו נסכם את זה
וידאו: תרשים חיבור RCD

































