איך לתקן דירה בצורה מאומנת מאפס בבניין חדש: תכנון, רצף שלבי עבודה
ברכישת דירה בבניין חדש, אנשים רבים נותנים היום עדיפות לדירות שנמכרות ללא שיפוץ. הם זולים יותר, אך העיקר שיש הזדמנות לבצע תיקונים תוך התחשבות ביכולותיהם הכלכליות ובהעדפות הטעם שלהם. במאמר זה נדבר על דירות כאלה בדיוק, או ליתר דיוק, כיצד לתקן כראוי דירה מאפס בבניין חדש.
תוכן המאמר
דירה בבניין חדש: סוגי גימורים
שלושה סוגים של מצב דירות בבניינים חדשים:
- בלי שום קישוט.
- עם גימור מראש.
- עם גימור משובח.
בלי לסיים
אין שום דבר בתוך הדירה אלא צַנֶרֶת מערכות חימום ומותקנות רדיאטורים... כמובן שיש דלת כניסה באיכות נמוכה ו חַלוֹן (בדרך כלל עם זיגוג כפול).
הקירות עירומים לְבֵנָה אוֹ לוחות בטון, הרצפה היא המישור של לוח הרצפה בלי המגהץ, כנ"ל לגבי התקרה. לא דלתות פנים... ביחס לחשמל, מדובר במוסד מֶרכָּזִיָה עם חיבור כבל אספקה והתקנה של מכונה אוטומטית אחת עם קלט נפוץ. ישנן אינסטלציה, אספקת מים חמים ועליית ביוב, אך אין צנרת סביב הדירה. הקפידו להתקין מדי מדידה אטומים ברשתות אספקת המים. אם בניין דירות בבניין חדש מחובר לאספקת הגז, יש להכניס לדירה צינור עם מונה מותקן.
היתרונות ברכישת דיור כזה הם ההזדמנות לבזבז מַעֲרָך ו תיקון לטעמך... מינוס - מספיק רציני השקעות כספיות בדיוק לביצוע תיקונים. אגב, התמונה למטה מציגה את הדירה ללא גימור.
מהו גימור מקדים של דירה בבניין חדש
למעשה מדובר בדירה בה בוצע תיקון גס של הקירות, הרצפה והתקרה. כלומר, מבוצע עבודות טיח עם פילוס חלקי של הקירות, נשפך על הרצפה המגהץ בטון, התקרה מטויחת או מטויחת. זה לא גימור משובח, וזה כבר אפשרי צֶבַע אוֹ טפטים, ריצוף שכבתי וחומרי גימור אחרים. זו רק הכנה.
- יחד עם זאת, כמה גופי אינסטלציה מותקנים מיד בדירה כזו: אמבטיה, שירותים, כיור בחדר האמבטיה, עם צנרת מלאה לאספקת מים, אספקת מים חמים וביוב.
- החימום מורכב במלואו.
- בוצע חיווט חשמלי עם ההתקנה במרכזייה של כל המכשירים החשמליים הנדרשים.
- הדירה ערוכה במלואה.
- מוּתקָן דלתות פנים.
אם אנחנו מדברים על תיקון תקציבי של דירה בבניין חדש, זו בדיוק האופציה, כי הכל מוכן להשלים את התיקון בהקדם האפשרי, תוך הדגשת קטן כסף מזומן... במקרה זה נותרה אפשרות לבחור מילוי סגנון של חדרים, לאסוף אותם סכמת צבעים תוך התחשבות בכסף שהוקצה.
דירות עם גימור משובח
הכל כאן פשוט - הקבלן שוכר את הדירות מוכנות, שם הקונה מתקשר למגורים נוספים. הכל בו מסודר כמתוכנן על ידי פרויקט הבית. אין גימורים יקרים ואינסטלציה איכותית. בנוסף, סביר מאוד להניח שהקבלן השתמש בחומרים באיכות נמוכה לצורך התיקון במטרה לחסוך כסף ולקבל יותר רווח. לכן, הרעיון לרכוש דירה כזו יכול להיות יקר כאשר התיקונים שמבצע הקבלן מתחילים להראות את איכותם הנמוכה בעוד שנה-שנתיים.
שלבי שיפוץ דירה בבניין חדש מאפס
יש רצף מסוים של תיקון דירה בבניין חדש. אם כי יש לציין כי כל התיקונים הגדולים מתבצעים בדרך זו. נכון, בבניין חדש אין צורך לפרק את רשתות הקישוט והתקשורת הישנות. זה ההבדל העיקרי.
תשומת הלב! בניין דירות שנבנה לאחרונה, כמו כל מבנה חדש, עובר הצטמקות טבעית במהלך השנה הראשונה. כלומר, בתקופה זו יתחילו להופיע סדקים על מבני המגן של הבניין, המפרקים בין המבנים והעיוותים של האחרון יגדלו.
לכן קיימות שתי אפשרויות לביצוע תיקונים:
- אל תעשה כלום וחכה עד שההצטמקות תיפסק. כלומר, להתחיל תיקונים בעוד שנה.
- בצע תיקונים קוסמטיים כך שתוכל לגור בדירה, ובעוד 1-2 שנים לבצע תיקונים גדולים. אפשרות זו נבחרת על ידי מי שפשוט אין איפה לחיות.
אך ישנם כמה תהליכי בנייה שניתן לבצע מבלי לחכות להתכווצות הסופית של הבניין. לדוגמא, פיתוח מחדש: אם יש צורך להרוס כל מחיצה או להתקין מחיצה חדשה. ניתן לבצע חיווט חשמלי בחדרים, התקנת מערכת אספקת מים, אספקת מים חמים וביוב, תוך התחשבות במקומות הסידור של גופי הצנרת.
שיפוץ דירות
יש צורך להתוות נקודה אחת חשובה מאוד בנוגע לפיתוח מחדש. אם כל מבני המגן כבר אושרו בפרויקט הדירה והם כלולים בדרכון הדירה, אז פיתוח מחדש ללא אישור ה- BTI לא יכול להתבצע. כלומר, אם תרצו, למשל, להרוס את הקיר בין האסלה ל חדר רחצהאז תצטרך לתאם את כל זה עם נציגי ה- BTI. לשם כך יהיה עליכם לכתוב בקשה, לערוך את כל המסמכים (ויש רבים מהם) ולהגישם לוועדה לצורך בחינה. ואין זו עובדה שתקבל אישור כזה.
שיפוץ בלתי מורשה מאיים בצרות גדולות. ראשית, שינויים לא חוקיים לא יאפשרו למכור את הדירה, לתרום אותה או לבצע הליכים משפטיים אחרים. אם עובדי BTI מגלים שפעולות אלה בוצעו ללא הסכמתן, אז זה מאיים עם בית משפט וקנס עצום. היו מקרים שבית המשפט אילץ את בעל הדירה להביא אותה בצורה נכונה, התואמת את הדרכון והמתווה המקורי. אז אתה לא צריך להסתכן בזה. לכן, הדירה הנרכשת עם פריסה חופשית, כלומר ריקה ובלי מחיצות, זו הזדמנות לא לפנות לשום מקום ולא לקבל הרשאות כלשהן. העיקר הוא שלאחר שיפוץ מלא יש צורך להכשיר את התוכנית עצמה ולהכניס אותה לדרכון הדירה כתכנית קומה.
היכן להתחיל תיקונים בדירה חדשה
מתחילים שני תהליכים עיקריים:
- מַעֲרָך;
- תוכנית להנחת רשתות הנדסיות.
כאמור לעיל, ניתן לבחור את פריסת הדירה על פי שיקול דעתך, העיקר צריך להכשיר את זה... אך ישנן דרישות מסוימות למיקום החדרים, אשר יש להקפיד עליהן:
- אתה לא יכול לשלב סלון עם מִטְבָּחאם משתמשים בו בכיריים.
- אל תתקין דלת כניסה לשירותים או לשירותים מהסלון או מהמטבח.
- לא ניתן להעביר את המטבח לחדרים בהם צריך להיות ממוקם שירותים או חדר אמבטיה.
- אינך יכול לארגן חדר אמבטיה או שירותים אם הם נופלים בתכנית מעל מגורי השכנים שלמטה.
- מגורים ומטבחים צריכים תמיד להיות עם חלונות הפונים לרחוב.
- אל תניח חוטי חשמל וכבלים על המפרקים שבין הלוחות לבין לוחות הבניין.
- אין לנתק לחלוטין את צינור האוורור (לסגור אותו) או לצמצם את חתך רוחבו.
- לא ניתן להעביר רדיאטורים לחימוםובהתאם לכך ניתוב צינורות מרפסות ו אכסניות.
- אל תחבר את מערכת החימום התת רצפתי לחימום ולמים חמים של הדירה.
יש כמה פריטים שניתן לייצר, אך יש צורך להסכים עם ה- BTI:
- העברת ציוד גז.
- העברת חדר האמבטיה או הרחבתו.
- ניקוב פתחים במבנים נושאים. למרות שקשה להשיג זאת, יהיה צורך לחזק אותו במבני מתכת מיוחדים.
אך ללא אישור, תוכלו לזגג מרפסת או אכסדרה, לסדר מחדש את גופי הצנרת בחצרים שלכם. ניתן להרוס מחיצות או לבנות חדשות, רק לאחר מכן יהיה צורך לכלול אותן בתכנית הקומה.
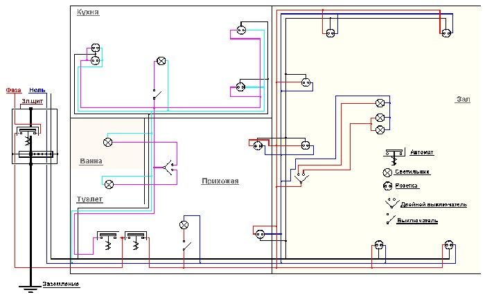
פריסת רשתות תקשורת
באשר לתוכנית הנחת כלי השירות, אין צורך לאסוף היתרים. אך חובה לשרטט על הנייר את תפוצתם בכל הדירה. זה נכון במיוחד לחיווט חשמלי, מכיוון שקיימות תקנות מחמירות לגבי מיקום כבלים ומיקום שקעים ומתגים. בנוסף, יהיה צורך לבחור במדויק את חתך הכבלים, תוך התחשבות בעומס הנצרך ממכשירי חשמל ביתיים.
יחסית צינורות מים וביוב, ואז החיבור שלהם מתבצע תוך התחשבות במקום ההתקנה של גופי אינסטלציה. יחד עם זאת, חשוב לבחור נכון את קוטר צינורות הביוב, תוך התחשבות במתקן הצנרת, כמו גם בקטעים המשולבים אליהם מסופקים כמה מוצרי אינסטלציה בבת אחת. כל רשתות התקשורת שקועות בחריצים, ולכן תהליך התקנה זה נחשב למאובק ביותר.
היכן להתחיל תיקונים בבניין חדש - בחירת התוכן הסגנוני
עד לאחרונה לא הוקדשה תשומת לב לעיצוב סגנוני. הדבר העיקרי לבעלי בתים חדשים הוא לשמור על הכל נקי. אך כיום גישה זו אינה מקובלת, ולכן שירותיהם של מעצבים מקצועיים מבוקשים מאוד. מומחה זה הוא שיגיד לך מה ניתן לעשות בדירה, אילו רעיונות ניתן ליישם כדי להפוך את פנים החדרים לאקסקלוסיביים.
יחד עם זאת, מעצבים רבים מכירים היטב את מחירי השוק המודרני, כך שהם יכולים לייעץ חומרים, המשתנים ביחס מחיר-איכות אופטימלי. ולשיפוץ גדול זה מרכיב חשוב. לכן, אם נבחר סגנון חללי הפנים והחדרים, תוכלו להמשיך בעריכת תוכנית תיקון.

פנים בלעדי של דירה בבניין חדש
מאמר קשור:
סגנונות בפנים. תמונות עם תיאורים וביקורות וידאו על קלאסיקות, מגמות מודרניות, אתניות, לאומיות ואחרות, המלצות ועצות מומחים - תוכלו למצוא בחומר שלנו.
תכנית שיפוץ דירה
באופן כללי, די קשה לתכנן תיקונים, מכיוון שעליך לקחת בחשבון מספר רב של עבודות שבוצעו. כאן, לא רק פעולות בנייה גרידא, אלא גם עלויות הובלה למסירת חומרים, פינוי אשפה, רכישת חומרים וכלים בעצמם, שירותי מומחים שיבצעו תהליכים מורכבים. כלומר, יש לקחת הכל בחשבון, ורק לאחר מכן ניתן לחשב את הסכום הכולל. על ידי התחלה ממנו נוכל לדבר על האם תמשוך את עלות התיקונים או לא. נאמר על הפריסה, על הפצת מערכות תקשורת, כל שנותר הוא לרכוש חומרי בניין ולהביאם לדירה.
תשומת הלב! מומלץ לבצע את כל הרכישות מספק אחד. נפח גדול של חומרי בניין שנרכשו מאפשר להתמקח על הנחה כרוכש סיטונאי.
אז הכל מוכן, תוכלו להמשיך לתהליכי התיקון עצמם. אנו נניח שרשתות תקשורת הותקנו לפני שהמבנה התכווץ לחלוטין. לא נדבר בפירוט על התקנתם, אך המידע הנ"ל מספיק בכדי להבין כיצד לעשות זאת ואיפה להתחיל.
שיפוץ דירה בבניין חדש
תיקון בדירה ללא גימור נחשב לעיקרי, מכיוון שנעשית כמות עצומה של עבודה בגימור מלא: מחוספס לגימור. הוא מובחן משיפוץ דירה בגימור מחוספס, שנעדר לחלוטין. עלינו להתחיל בזה. יתר על כן, בונים רבים משתמשים בתכנית מסוימת, הנקראת מלמעלה למטה. כלומר, תיקון המשטחים מתבצע החל מהעליון וכלה בתחתונים. לכן, ההתחלה היא התקרה, ואז הקירות, והתהליך האחרון הוא המילוי. המגהץ על לוח הרצפה.
אם נעשים שינויים תכנוניים בתוכנית התיקון, כלומר: בניית מחיצות, ביצוע או הנחת פתחים, יש לעשות זאת כעת. בשלב זה מותקנים בהכרח חלונות חדשים, אם מתקבלת החלטה להחליף את אלה שהותקן על ידי הקבלן במבנים בעלי מאפיינים איכותיים יותר.דלתות הכניסה והדלתות הפנימיות מותקנות לאחר סיום העבודה הגסה, כאשר האשפה תוצא מהשטח.
השלב הבא בסדר התיקונים בדירה מסתיים. שוב, הכל מתחיל מהתקרה. זה או מרק או מותקן תקרה תלויה. מבנה מתח יכול להיות מותקן רק לאחר יישור מישורי הקירות.
לאחר מכן, הקירות מיושרים או מֶרֶק, או קיר גבס, תלוי בהבדלים במישור. באשר לרצפה, אין לו גימור עדין. המגהץ שנמזג כבר מספק את האחידות הדרושה, שניתן לומר שהיא מספיקה. נכון, הכל יהיה תלוי במידת המריחה של המגהץ. אם ההבדל גדול מספיק, יהיה עליכם לבצע אמצעי פילוס נוספים. אבל לרוב הם מבוצעים רק לאחר גימור ותקרה וקירות.
והשלב השלישי של השיפוץ מסתיים. זה כולל רשימה גדולה של תהליכי תיקון:
- צביעת קירות ותקרות;
- טפטים;
- הנחת אריחים;
- התקנת לוחות פלסטיק;
- התקנת תקרה נמתחת,
- הידוק בגטים על התקרה;
- ואחרים.
הרצפה הסתיימה אחרונה. זה הנחת לרבד או ריצוף פרקט לִינוֹלֵאוּם או שטיח, אריחי קרמיקה וכן הלאה. אם משטח המגהץ אינו עומד בדרישות לאחידות מסוימת, יש להביא אותו לאחידות מקסימאלית לפני סיום. מה מומלץ לעשות בשביל זה?
- למלא רצפה עם פילוס עצמי (מלט או פולימר).
- כיסוי בחומרי לוח או יריעות: דִיקְט, לוחות סיבי גבס, סִיבִית ואחרים.
- התקן פיגורים.
והשלב האחרון בתהליך של קישוט דירה במו ידיך הוא התקנת רהיטים, תלייה מנורות, חיבור גופי אינסטלציה, התקנה כרכובים ותלוי בהם וילונות ווילונות, התקנת אלמנטים עיצוביים (תמונות, מדפים, אגרטלים וכו ').
התקנת מחיצות
במספר רב של שלבי שיפוץ דירה, ברצוני לטפל בנפרד במחיצות. אלמנטים אלה מאפשרים לחלק את החלל במהירות ובזול, וליצור את האזורים הדרושים למגורים. אבל יש דרישה אחת למחיצות - הם לא צריכים להעמיס במשקל את לוחות הרצפה. ואם קודם לכן בעיה זו הייתה חריפה, ורשויות הפיקוח עקבו אחר כך ברצינות רבה, היום עם הופעתם של חומרים וטכנולוגיות חדשים הבעיה צומצמה לאפס.
לדוגמא, מחיצות מגבס המבוססות על מסגרת מתכתית. עובי 60-70 מ"מ ובתוך לשונית חומרי בידוד רעש מחיצות כאלה עושות עבודה מצוינת עם האחריות המוטלת עליהן. אתה יכול להכין חלון ו פתחי דלתות, להתקין מנורות, לתלות עליהם מכשירי חשמל ביתיים ורהיטים.
מאמר קשור:
מחיצות GKL עשה זאת בעצמך. חומר נפרד מספק מידע מפורט על בניית מחיצות לבד עם הסברים ותמונות.
חומר הבנייה השני שממנו נבנות מחיצות, גושי קצף... קלים ועמידים, בגדלים שונים ובעלי הגנה גבוהה מפני חדירת צלילים זרים, הם קלים להתקנה ומבטיחים בנייה באיכות גבוהה. בנוסף, להתקנת גושי קצף משתמשים בתמיסת דבק מיוחדת, המונחת בשכבה דקה. אין כאן תהליכים מלוכלכים אם רבים חושבים כך.
טיח קירות בדירה בבניין חדש
ועוד שלב אחד די רציני שלוקח הרבה זמן הוא טִיחַ... אם קירות הבית היו בנויים מ לבנים, גושי קצף או סיליקט גז, אז תהליך זה לא יכול להיעשות בלעדיו. לוחות קיר בטון מיוצרים כיום באיכות גבוהה ואחידות של משטחים, כך שבבתים כאלה הקירות הם רק מרק.
היצרנים מציעים שני סוגים של תערובות גבס: על בסיס גבס ומלט. האחרונים משמשים בחדרים רטובים, הראשונים נחותים בהקשר זה, מכיוון שבסיס התמיסה - גבס - סופג לחות היטב. טיחי מלט מוחלים על רשת חיזוק, שנמתחים מראש על משטח הקיר. משתמשים כיום ברשתות מתכתיות וסינתטיות.

אז סקרנו את נוהל תיקון דירה בבניין חדש. רק במילים ובנייר תהליך התיקון נראה פשוט וקל. אי אפשר לקחת הכל בחשבון, זוטות מסוימת בוודאי לא מוסברת. לכן, בעת חישוב תיקונים, יש צורך להוסיף 5-10% לתקציב. בנוסף, לא תמיד ניתן לבצע תיקונים שלב אחר שלב בבניין חדש, ולכן נשאלת לרוב השאלה מאיפה להתחיל. כשתתחיל, התהליך כולו יימשך עד לסיומו המלא.
מאמר קשור:
איך לטייח קירות במו ידיכם למתחילים. בסקירתנו נשקול את התכונות של מריחת טיח על משטחים שונים, הוראות צילום שלב אחר שלב לתהליך, אילו חומרים מתכלים וכלים דרושים.
צילום של עיצוב זול לאחר שיפוץ דירה בבניין חדש
אנו ממליצים להסתכל בכמה תמונות המציגות אפשרות לתיקון תקציב.
גרסה ששימשה זמן רב. הסלון הורחב בו בגלל המרפסת הצמודה. תיקון פשוט למדי עם צביעת קיר וטפטים. התקרה מטויחת וצבועה, הרצפה מכוסה לרבד. זה לא יכול להיות קל יותר.
כאן המצב מורכב יותר בגלל בניית נישת קיר גבס. מבחינה ויזואלית החדר הפך להיות מעניין, אך הוא הצטמצם בדיוק בגלל בניית הגבס. שילוב מעניין של צבעים ותאורה.
תמונה זו מראה כיצד ניתן לשלב שני חדרים על ידי פירוק מחיצה. במקרה זה, האחרון אינו מפורק לחלוטין. האפקט נוצר יעוד שטח גדול... יחד עם זאת, הכל מודגש היטב על ידי תקרה עם מבנה תלוי בצורות שונות. כלומר, בדרך זו לא רק המחיצה מילאה תפקיד של מבנה תוחם, אלא גם את התקרה. עם מורכבותו לכאורה של התיקון, עלות יישומו היא למעשה מינימלית.
מסקנה בנושא
ברכישת דירה ללא גימור, אתה לוקח על עצמך נטל אחריות גדול למדי הקשור לפתרון מגוון רחב של משימות. דירה כזו תעלה לכם פחות - זה חד משמעי, בעוד שיש לכם אפשרות לבחור באופן עצמאי את עיצוב הפנים של הבית העתידי שלכם. אך זכור את העובדה שהתיקון ייפול לחלוטין על כתפיך. אלה עצבים, זהו זמן רב שתשקיעו בחיפוש אחר חומרי הבנייה הדרושים. ואתה תסתכל לדירה כמה פעמים ביום כדי לעקוב אחר עבודתם של בעלי המלאכה. אם תחליט לתקן את זה בעצמך, אז תיקון כזה, אם אתה הדיוט, יכול להימשך שנה, או אפילו שנתיים.
כדי להקל מעט על כל המאמצים שלך, אנו ממליצים לצפות בסרטון נוסף.
וידאו: היכן להתחיל לתקן דירה מחוספסת
אם יש לך שאלות לגבי מאמר זה, שאל אותם בתגובות. עורכי האתר שלנו בהחלט יענו עליהם.














































