מתג מעבר: תרשים חיווט ל -2 נקודות במקומות מרוחקים זה מזה
מתג מעבר משמש לשליטה בתאורה ממקומות שונים. דיאגרמת החיבור של 2 הנקודות היא הנפוצה ביותר בבית, ולכן היא תיחשב. גרסאות עם מניפולציה ממספר מקומות בו זמנית מתאימות יותר לחצרים מסחריים ותעשייתיים.
תוכן המאמר
שני סוגים עיקריים
אם ניקח את עקרון הפעולה כבסיס, ניתן לקרוא למתגים חשמליים מסוג המעבר. במראה, קשה להבדיל אותם מעמיתיהם הרגילים, משום שההבדלים נעוצים במערכת המגע. בדרך כלל הם מסווגים על פי שיטת הניהול.
מקלדות
מתגים עם מקשים מוכרים יותר, מכיוון שהם קלים לחיבור ולהפעלה. הם מורכבים ממגעים נייחים הקבועים בגוף וממנגנון נייד, אשר נלחץ על ידי קפיץ. מספר המקשים בדרך כלל משתנה בין 1-3 חתיכות.
אנלוגים חושיים
מתגים כאלה קלים לשימוש. יש להם עיצוב מסוגנן שגורם להם להיראות אלגנטיים בחללי פנים מודרניים. במידת הצורך ניתן לשלוט בהם מרחוק. אם יש הפסקת חשמל, המכשירים עוברים למצב כבוי.
שימוש ביתי
מתג מעבר יכול להיות שימושי מאוד לשליטה על מכשירי תאורה בחיי היומיום. דיאגרמת חיבור של 2 נקודות תפחית את מספר התנועות בחדרים מסוימים. לרוב, התקנים מותקנים בחדרי שינה, מסדרונות והמשיך מדרגות.
אפשרויות הפעולה העיקריות מוצגות להלן.
- IN חדר שינה אחד יכול להיות מותקן ליד הדלת והשני ליד המיטה. כך, כשנכנסים לחדר תוכלו להדליק את האור להכנה למיטה ולכבות אותו מבלי לחזור.
- המכשירים מותקנים בקומות שונות לצד המדרגות. לדוגמא, כשמתקרבים אליו ניתן להדליק את האור, ולאחר ההרמה לכבות אותו.
- במסדרון, בדרך כלל מותקנים גופים בתחילתם ובסופם.
הערה! הקריטריון החשוב ביותר בבחירת המתג המוצג יכול להיחשב כמספר המקשים. זה חייב להיות מתואם בהכרח עם מספר קבוצות גופי התאורה המופעלות בו זמנית.
להכיר איך זה עובד
לפני חיבור מתג מעבר עם תרשים חיווט מכל סוג שהוא, יש צורך להבין את עקרון פעולתו. לכל מכשיר שלושה אנשי קשר, אחד מהם עובר ממעגל אחד למשנהו. עקרון הפעולה מבוסס על מגעים מתחלפים.
כאשר מיקום המתג משתנה, הזרם החשמלי מנותב למסוף ספציפי. רק אחד מהמעגלים הקיימים נותר סגור. מכשיר התאורה מתחיל לעבוד כששני מתגי ההחלפה נמצאים באותם מצבים.
מתג מעבר: תרשים חיווט עבור 2 נקודות התקנים עם מספר מקשים שונה
התוכנית הפופולרית ביותר לחיבור מתג מעבר משני מקומות, אך היא יכולה להתבצע עבור מכשירים עם מספר מקשים שונה. לכולם יש מספר שונה של אנשי קשר, כך שעלולים להיווצר קשיים מסוימים בחיבור חוטים.
תרשים חיווט של מתג מעבר עם 2 מקומות בנוכחות מפתח אחד
ניתן לשלוט על קבוצת תאורה אחת משני מיקומים באמצעות מתגים עם כפתור אחד. הם מחוברים בתכנית די פשוטה, שיש לראות בה הדרכה להבנה מעמיקה יותר של אופן פעולתם.
מקו האספקה המרכזי, השלב מחובר למגע הנכנס של אחד ממתגי ההפעלה. מסופי הפלט של שני המתגים מחוברים זה לזה. המגע השני של המכשיר מחובר למכשיר התאורה, תוך התחשבות בתרשים הנתון.
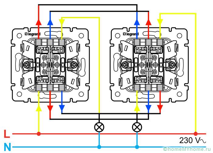
תהליך חיבור התקני שני מקשים לשתי נקודות עיקריות
המעגל מורכב יותר עם חיבור של מתג מעבר דו-מקשי ישירות משני מקומות. אפשרות זו מאפשרת לשלוט בשתי קבוצות תאורה בו זמנית. התקנים עם שני מקשים מסוגלים לעבוד בשני כיוונים עיקריים.
בלוקים עם שני מקשים מותקנים במקומות מסוימים ישירות בתיבות ההתקנה. כל קבוצות התאורה ממוקמות באזורים הנדרשים. כבל בעל שלוש ליבות מחובר למקורות האור (N - אפס, L - שלב ו- קרקוע).
התקנה, אם תרצה בכך, יכולה להתבצע באמצעות ארבעה מתגים בודדים, אך במקרה זה הרציונליות תיעדר. התקנה של אנלוגים דו-מקשיים משתלמת יותר מכיוון שהכבל נשמר יחד עם תיבות הצומת.
המעגל המוצג של מתג המעבר משני מקומות פותח פונקציונליות הרבה יותר מזו שהוזכרה לעיל.
מחירים של מוצרים של יצרנים גדולים
עלות הייצור עשויה להשתנות בהתאם למספר המקשים, שיטת הבקרה והמוניטין של היצרן. הטבלה מציגה את המחירים הממוצעים עבור אנלוגים עם שני מקשים.
שולחן 1 . עלות ממוצעת של מתגים
| תְמוּנָה | יצרן ודגם | מחיר ברובלים |
|---|---|---|
![]() | וורקל WL02-SW-2G-2W-LED | 556 |
![]() | ABB BASIC 55 | 611 |
![]() | MAKEL Manolya | 239 |
![]() | שניידר סדנה חשמלית SDN0500170 | 395 |
![]() | TDM Llama SQ1815-0207 | 440 |
![]() | ליזרד מירה 701-0701-105 | 325 |
![]() | LEGRAND VALENA | 496 |
ניתן להבדיל בין מוצרי Livolo לבין מתגי מגע. הצד הקדמי של המכשירים עשוי בדרך כלל מזכוכית מחוסמת ועמידה בפני מתח מכני. המשטח מסוגל לעמוד לפחות 100 אלף מחזורים לסירוגין.
תאורת לד מקלה על איתור המכשיר בחושך מוחלט. כשנוגעים בידיים רטובות, השלכות שליליות אינן מתרחשות מכיוון שהמוצרים עמידים בפני לחות. מחיר מכשירים כאלה נע בין 1,500-3,000 רובל.
קיימת אפשרות לשליטה מרחוק במכשיר באמצעות ערוץ רדיו מיוחד. כך תוכלו להדליק ולכבות את התאורה מחדרים שונים הנמצאים בטווח השלט. אפשרות בקרה זו נוחה יותר מאשר עם מערכת IR הפועלת בקו הראייה.
ביצוע מתג מעבר מאנלוג קונבנציונאלי
במידת הצורך, בהחלט ניתן להמיר מתג קונבנציונאלי לבד לאנלוגי מעבר, כי כלפי חוץ הם אינם נבדלים זה מזה. ההבדלים מתחילים רק כאשר מסתכלים על החלקים הפנימיים.
ביצוע ביצוע מחדש כולל הוספת איש קשר למתג קונבנציונאלי, כלומר במקום שני מסופים, אתה צריך לקבל שלושה. לשם כך, עליך לקחת שני מכשירים פשוטים: מקש אחד ושני מקשים. הם חייבים להיות מאותו יצרן. במכשיר דו מקשי, הפלטים פשוט משתנים.
תִמצוּת
כדי להגביר את נוחות החיים, תוכלו לרכוש או להכין מתג מעבר משלכם עם דיאגרמת חיבור של 2 נקודות. גישה לקטגוריות מסוימות של גופי תאורה תעזור לפשט את הפעילות היומיומית שלך. הבחירה באופציית חיבור ספציפית תלויה במספר המקורות.
וידאו: דיאגרמת חיווט למתגים בשני מקומות








































