אנחנו מגדלים אפרוחים בבית: מה צריך להיות החממה הנכונה שנבנתה בידיים שלנו
אם אתה שומר עופות, אז אתה יודע כמה קשה להביא צאצאים ממנו. אווזים, ברווזים או תרנגולות הם יצורים עם מערכת עצבים עדינה; הם יכולים לסרב לדגור זמן רב או לנטוש את המצמד מסיבות שונות. לצאצאים מובטחים יש צורך בחממה בחווה. לא קשה להכין מכשיר כזה במו ידיך בבית. היום, בסקירה זו, צוות המערכת של homebase.decorexpro.com/iw/ יגיד לכם את העקרונות הבסיסיים של החממה, תכונות העיצוב, וכן יתן המלצות להרכבת מכשירים ביתיים מחומר מאולתר.
תוכן המאמר
- 1 כיצד פועלת חממת ביצים: עקרון פעולה ומכשיר
- 2 איך מכינים חממה בבית: אנו חוקרים ניואנסים חשובים
- 3 חממת DIY בבית: משטר טמפרטורה לציפורים מגזעים שונים
- 4 כיצד להכין חממה מהמקרר במו ידיך: הוראות פשוטות
- 5 הניואנסים של הכנת חממת קצף DIY
- 6 חממת דיקט DIY לביצים: הוראות וידאו
- 7 כמה טיפים כיצד להשתמש בחממה ביתית
- 8 נושא מחיר: קנו או הכינו לעצמכם חממת ביצים אוטומטית
כיצד פועלת חממת ביציות: עקרון הפעולה והמכשיר
על מנת שעוף יבקיע מביצת עוף, יש ליצור תנאים מיוחדים:
- טמפרטורה - 37.5 מעלות צלזיוס;
- לחות - בטווח של 60-65%;
- שינוי קבוע במיקום הביציות;
- אוורור באיכות גבוהה.
בחממה יכול להיות חדר אחד או שניים. מבנים בתא יחיד יכולים "לדגור" ביצים רבות, אך קשה יותר לשמור על משטר הטמפרטורה הנכון בהן. במכשירים דו-תאיים, מכשיר המים והחימום ממוקם בנפרד ממגש הביצה.האוויר הרטוב והמחומם נושף פנימה עם מאוורר. בדגמי המפעל יש חיישני בקרת טמפרטורה ולחות, מערכת להפעלת ביציות אוטומטית. מערכת ההתאמה האלקטרונית מאפשרת לכם לבחור מצבים שונים לרביית תרנגולות, אווזים, ברווזים, תרנגולי הודו או שליו.
איך מכינים חממה בבית: אנו חוקרים ניואנסים חשובים
דגמים מתוצרת המפעל הם, ללא ספק, מכשירים נוחים ופרקטיים, אך לא כולם יכולים להרשות לעצמם תענוג כה יקר. הכנת חממה פשוטה עבור שליו או תרנגולות במו ידיך אינה כה קשה. מרכיביו העיקריים הם: גוף, מערכת חימום ואוורור, מכשיר הפיכה. בואו ניקח בחשבון את הדרישות הבסיסיות עבורם.
דרישות מתחם חממה
הדבר החשוב ביותר הוא שגוף המבנה צריך לשמור על משטר הטמפרטורה הדרוש לבקיעת אפרוחים. הנקודה המהותית השנייה היא קלות התחזוקה. מדי פעם אתה צריך לפתוח את המכשיר, לבדוק את פעולת גופי החימום, לאוורר את הבנייה.
והדרישה האחרונה לגוף היא מידות מתאימות. ביצים לא צריכות לשכב בחוזקה, המרחק ביניהן לא צריך להיות פחות מסנטימטר. סידור זה של הבנייה מספק אוורור טוב וחימום אחיד.
כיצד לחמם בנייה ולשלוט בטמפרטורה
רק הטמפרטורה האופטימלית מבטיחה הופעת אפרוחים. אפילו סטיות קטנות יכולות להרוס הכל, ולכן חשוב כל כך לבחור את גוף החימום המתאים למבנה הדגירה.

ניתן להתקין את התנור מעל מגש הביצה, מתחתיו, או סביב הבנייה. הוא אמור לעבוד בצורה חלקה ולחמם את המגש באופן שווה
באילו גופי חימום ניתן להשתמש בחממה:
| סוג דוד | תכונות השימוש | מחיר ממוצע (נכון ליולי 2018), רובל |
|---|---|---|
| מנורה | המנורה קלה להחלפה והתקנה, מכשירים כאלה תמיד זמינים בבית. חסרון משמעותי של אלמנט זה הוא חימום לא אחיד. אור קבוע הוא תנאי יוצא דופן לבקיעה. | מנורות ליבון - 45. מנורות קרמיקה - 650. |
| גוף חימום | גוף חימום מובנה מפיץ באופן שווה חום בחלל מכשיר הדגירה. החיסרון של תנור חימום זה הוא שקשה להחליף אותו והצורך להחזיק רזרבה בהישג יד אם מתרחשת תקלה. | 400 |
| אינפרא אדום | זהו סוג החימום החסכוני ביותר. סרט האינפרא אדום מפיץ חום באופן אחיד על המגש. לא קל להחליף תנורי חימום כאלה ועדיף להזמין איש מקצוע למשימה זו. | 900 למ"ר. M. |
כיצד לאוורר את החממה שלך
אוורור טוב מבטיח פיזור חום אחיד בכל החממה. באוויר עומד הביציות מתחממות יתר על המידה והעוברים מתים מחוסר חמצן.
הערה! ביום השישי להתפתחות, עובר הגוזל מתחיל לנשום את הביצה. חמצן נכנס דרך הנקבוביות המיקרוסקופיות של הקליפה. כבר ביום החמישה עשר, העוף צריך לפחות 2500 מ"ל אוויר, ובתשע עשרה - 8 ליטר.
האוורור בחממה יכול להיות רציף או לסירוגין. באפשרות הראשונה, החום מופץ באופן שווה בכל המגש.

כדי לבצע משימה זו, אינך זקוק למאוורר רב עוצמה; למטרות ביתיות ניתן להכין מאוורר לחממה ממקרר מחשב רגיל בקוטר 80 מ"מ.
עֵצָה! התקן מסנן רשת מול המאוורר. זה יגן על הלהבים מפני מוך.
מנגנוני הפיכת ביצה
הציפור בקן הופכת מעת לעת את הביצים. זה צריך להיעשות גם בחממה כדי להבטיח שהעוברים יתפתחו באופן שווה ומלא. ככלל, יש להפוך את הביצים כל 3 שעות.באינקובטור קטן למאה ביצים ניתן לעשות זאת באופן ידני, ובמכשירים עם 200 ביצים ומעלה יש להתקין מנגנון סיבובי אוטומטי לחממה.
אוטומציה למטרה זו יכולה להיות מסגרת או נוטה. מערכת מסגרות עדיפה לקובעים בינוניים: היא קלה לתפעול וחסכונית. אבל צריך לזכור: עם תנועות פתאומיות של המסגרת, ניתן להכות את הביצים.
אך מכשירים כאלה צורכים יותר כוח ודורשים תחזוקה מורכבת. הם מותקנים בתחנות דגירה גדולות.
מידות אופטימליות של חממה ביתית לביצים
הממדים של מבנה הדגירה תלויים ישירות במשימות שאתה מתכוון להגדיר עבורו. עבור חווה קטנה, האופטימלי להתמקד בתכנון של 100-120 תאים. אתה יכול להשתמש בכולם או רק בחלקם בהתאם לצרכים שלך.

קוטר התא לכל ביצה הוא 4.5 ס"מ. גובה התא הוא 6.5 ס"מ לפחות. זה נוח אם ניתן לשנות את המדף לביצים גדולות או קטנות יותר.
מאמר קשור:
איך לבנות לול תרנגולות במו ידיך עבור 10 תרנגולות. נדבר על כך במאמר, ונשקול לא רק תוכניות וחומרים, שלבי בנייה, אלא גם את צרכי הציפור ואת התנאים האופטימליים לתחזוקתה.
חממת DIY בבית: משטר טמפרטורה לציפורים מגזעים שונים
טמפרטורות הדגירה שונות מעט מגזעי עופות שונים.
| גֶזַע | תְמוּנָה | יום / מעלות |
|---|---|---|
| תרנגולות | ![]() | 1-2/39 |
| ברווזים | ![]() | 1-12/37,7 13-24/37,4 25-28/37,2 |
| הודו-נשים | ![]() | 1-30/37,5 |
| אווזים | ![]() | 1-28/37,5 |
| תרנגולי הודו | ![]() | 1-25/37,5 25-28/37,2 |
| שליויים | ![]() | 1-17/37,5 |
כיצד להכין חממה מהמקרר במו ידיך: הוראות פשוטות
מקרר ישן מהווה בסיס מצוין להכנת חממה. זה מרווח מספיק כדי לספק חוות גידול קטנה. בנוסף, המקרר הוא מבנה אטום בו נשמרים באופן אידיאלי הטמפרטורה והמיקרו האקלים הדרוש. אז איך מכינים חממה ממקרר ישן.
חומרים וכלים לעבודה
בנוסף למקרר עצמו תזדקקו למגשי ביצים, תרמוסטט בגודל מתאים, מאוורר, מנורות ליבון של 100 וואט, וסורג מתכת. מבין הכלים הדרושים - מקדחה, מברג וסכין בנייה.
כיצד להכין כראוי את גוף המקרר
הוציאו את כל המדפים והמגירות הפנימיות מהמקרר. ניתן להסיר את כל חלקי יחידת הקירור כדי להקל על הבנייה. לאחר מכן יש לשטוף היטב את גוף המכשיר באמצעות תמיסת חיטוי. חיידקים הגדלים על קירות מקרר ישן עלולים להוביל למגפה בקרב אפרוחים.
התקנת מערכת אוורור
כדי להזיז אוויר בתוך החממה, עליך להתקין מאוורר באחד מקירות המקרר. מנוע המאוורר מותקן חיצונית. אוויר צח ייכנס דרך פתחי הדלת ויישלף החוצה על ידי מכשיר האוורור. אם אינך יודע להכין אוורור בחממה ביתית, פנה לתרשים.
מערכת בקרת חימום ולחות
ניתן להכין את התרמוסטט בעצמך. אנו אגיד לך בפירוט כיצד תוכל ליצור מכשיר פשוט לחממה באמצעות דוגמה לסוגים שונים של תרמוסטטים.
| סוג תרמוסטט | עקרון ייצור |
|---|---|
| מגע חשמל | הוא מבוסס על מדחום כספית פשוט עם אלקטרודה מולחמת לתוך צינור. כספית, נע לאורך צינור האבנית, משלים את המעגל כשהוא מגיע לאלקטרודה. אות זה מכבה את מערכת החימום. |
| חיישן בימטאלי | זול, אך לא האפשרות האמינה ביותר. כאשר מחממים אותה לטמפרטורה מסוימת, הצלחת משנה את צורתה וסוגרת את המעגל. |
| מערכת ברומטרית | עבור חיישן זה, יש להשתמש בצילינדר רך אטום לאוויר. בחימום, קירות הגליל מתכופפים וסוגרים את האלקטרודה הממוקמת מילימטר מלמטה. |
ניתן ליצור את כל המערכות הללו בעבודת יד, אך עדיף לרכוש מכשיר מוכן המבטיח שליטה קפדנית על משטר הטמפרטורות בתא.

כדי לשלוט ברמת הלחות, עדיף גם לקנות מכשיר מוכן - פסיכומטר. תוכלו למצוא אותו בחנויות לחיות מחמד, בבתי מרקחת וטרינרים, או בחנויות לחומרי בניין.
אבל אם אתה מחליט ביסודך לעשות הכל בעצמך, קח שני מדחומים רגילים. עטפו את האף של אחד מהם בגזה ושחררו את הקצה השני לצנצנת מים מזוקקים. המכשיר השני הוא שליטה, הוא קבוע לידו.
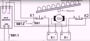
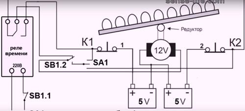
כיצד לעשות חממה עם היפוך אוטומטי
אוטומציה של הפיכת ביציות היא מערכת מורכבת, אתה צריך להתעסק בזה. יהיה עליכם להכין מנוע הילוכים, פרופיל מתכת ופינה, קופסאות ירקות מפלסטיק, מיסבים, שרשרת, כוכבית ומהדקים.
בנוסף, הדרכת וידיאו כיצד להכין חממה מהמקרר במו ידיכם.
מאמר קשור:
לול חורף DIY ל -20 תרנגולות: התנאים הדרושים לשמירת ציפורים, ציורי מבנים, כיצד לבנות זאת בעצמך, סקירה של דגמים מוגמרים, חימום לול בחורף - בפרסום שלנו.
הניואנסים של הכנת חממת קצף DIY
קצף קצף הוא חומר השומר היטב על הטמפרטורה. זה זול, זול וקל משקל. חממה קטנה מאוד יכולה להיות עשויה מקצף, לשלושה תריסר ביצים או מבנה מוצק, על מסגרת מתכת או עץ. חוויה מעניינת בעלילה זו:
חממת דיקט DIY לביצים: הוראות וידאו
דיקט, או צלחת OSB, מהווים בסיס טוב לגוף החממה. עבור בידוד תרמי בפנים, אתה צריך להשתמש בבידוד, למשל, isolon. תיאור מפורט של עיצוב זה מופיע בסרטון זה.
הערה! קל למצוא ציורים ודיאגרמות להכנת חממות במו ידיך.אך לפני שתקח אחד מהם כבסיס, קרא בעיון את הביקורות ממשתמשים שניסו את המודל בפועל.
כמה טיפים כיצד להשתמש בחממה ביתית
עורכי המגזין המקוון homebase.decorexpro.com/iw/ ממליצים להקפיד על הכללים הבאים:
- לאחר כל הסרה יש לחטא את המבנה כולו. כל חלקי המכשיר מנוגבים בעזרת ספוג עם תמיסת אקונומיקה.
- לאחר חיטוי, החממה מיובשת ומאווררת.
- החממה צריכה להיות ממוקמת במקום מוגן מפני טיוטות וירידות טמפרטורה.
- זכרו להוסיף מים למגש האידוי.
- וודא כי חיישני הטמפרטורה ממוקמים באזור המגשים.
- לפני הטלת ביצים, הפעל את החממה למשך יממה ובדוק את יציבות פעולתה.
נושא מחיר: קנו או הכינו לעצמכם חממת ביצים אוטומטית
כמה עולה חממה ביתית? בואו נראה את המחירים עבור דגמים פופולריים, על פי Yandex.Market.
| דֶגֶם | תְמוּנָה | מפרטים |
|---|---|---|
| לִכלוּכִית | ![]() | מספר ביצים: 45. מופעל על ידי 12V: כן. |
| דֶגֶם | תְמוּנָה | מפרטים |
|---|---|---|
| תרנגולת אילנית אידיאלית | ![]() | מספר ביצים: 63. הפוך: אוטומטי. מופעל על ידי 12V: כן. |
| דֶגֶם | תְמוּנָה | מפרטים |
|---|---|---|
| סיטיטק | ![]() | הפוך: אוטומטי. מספר ביצים: 48. |
| דֶגֶם | תְמוּנָה | מפרטים |
|---|---|---|
| בליץ | ![]() | הפוך: אוטומטי. מספר ביצים: 120. |
כפי שאתה יכול לראות, מכשיר ל-100-150 ביצים יעלה לך כמו מקרר חדש. אז הרבה יותר משתלם להשתמש במקרר ישן או בקופסת דיקט.
אם יש לך ניסיון בייצור והפעלה של חממה ביתית, שתף אותה בתגובות!



















































